|

This circuit may be used to eliminate an
unwanted carrier when trying to copy weak stations.
Direct Conversion receivers in particular will benefit
from this addition as these receivers have quite a wide
bandwidth and receive both sidebands. A carrier present
in the unwanted sideband can render the wanted signal
inaudible, especially if the wanted station is quite
weak.
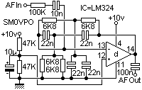
This circuit is very simple and is based
upon a Wein-Bridge network. The Op-Amp provides
anti-phase outputs to the two filter elements, and also
buffers the filter output from the load. The 100K ganged
Potentiometer controls the notch frequency and has a
range from about 75Hz to 15KHz or so. The 50K pot
compensates for any imbalance of level at the filter
output. By adjusting the 2 pots in turn, it should be
possible to totally eliminate an unwanted signal from
the receiver output. The circuit has no gain and should
be used between the receiver volume control and the AF
amplifier.

Direct Conversion and other simple
receiver have quite a wide bandwidth which can make life
a little difficult when copying weak CW stations,
especially if the band is a little crowded. This circuit
uses a single Op-Amp together with a Twin-T filter to
provide a very narrow AF filter. Before anyone jumps in
to tell me the Twin-T is a NOTCH filter - yes, but it is
used here in a feedback loop which shunts the high 100K
input impedance, until the input frequency is at the
Twin-T notch frequency. This circuit is centered around
900 Hz and is fixed at this frequency by the filter. The
circuit has no gain and should be used between the
receiver volume control and the AF amplifier.
The output level of both these circuits
may be altered, by changing the value of the 47K
feedback resistor from the output of the (last) Op-Amp,
to its -ve input. The unused Op-Amp in the NOTCH FILTER
may be used for the CW-FILTER circuit. If you do then
you can also delete the two 47 K resistors and 10 uF
capacitor supply splitter. This circuit already exists
in the Notch Filter and may be used to bias the + input
of the Op-Amp in the CW-Filter.
|