|
This is an infrared gate with two
sensors planned to use in the wall in the way behind a
door. It can be applied in a toilet to keep track of
that someone is inside exceeding a certain amount of
time. After that time elapsed, the circuit triggers the
digital output which can turn on a ventilator. The time
period the output is turned on can be separately
controlled by a second timer.

If you plan to build this circuit,
beware that you may have lots of difficulties though the
schematic may seem simple. The construction of the
circuit requires some amount of equipment like an
oscilloscope and a DVM, too. Without them, the device
will do weird things you wouldn't expect, and even if it
is correctly put together, you must adjust it with care
both mechanically in its final place and electronically
with the help of an oscilloscope. Only if you want to
span about less than 20-30 inches with the infra diodes
can forget about this calibration. Alternatively you can
take ideas from this construction.
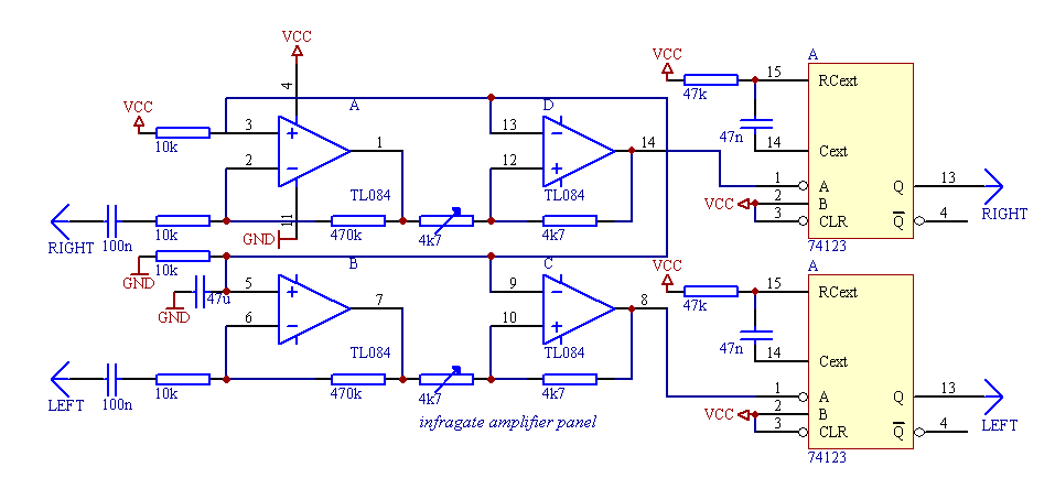
The device consists of several parts,
the most critical one is the panel with the infra LEDs.
I tried to use several receiver transistors, but best
result was given by infra receiver diodes used in TV
remote control receivers. The receiver diodes must be
properly shielded from the transmitter LED(s) otherwise
the infra light will surely drive the receiver with a
large enough signal. These photodiodes should only see
infrared light coming from the mirror. The two very
sensitive receiver parts should also be isolated from
the transmitter electrically or the TX signal will get
across the wires to the RX lines, which results the same
effect as weak optical shielding. Use metal shielding
around the receiver amplifiers where possible. The
infrared transmitter LEDs should be close in wavelength
to the max. sensitivity band of the receivers. You can
experiment with using more LEDs and more current testing
several resistor values, but don't exceed the 500 mA
current limit flowing on the diodes or they will burn
out. Do not shield the transmitters, allow the maximum
amount of infra light to reach the mirror to extend the
possible range.


To start testing the infra LED panel, you wil need the
infragate amplifier panel and the small transmiter
driver. The TX driver will generate the digital signal
for the LED driver on the LED panel. The digital signal
is 1:10 on/off to achive good performance with lower
power dissipation on the LEDs. Connect GND, VCC planes
and LEFT, RIGHT wires of the LED panel with the
amplifier panel, and drive the TX line from the TX
driver. Now you are able to start testing and
calibrating the analogue part of the circuit. If
everything is ok, holding a mirror in front of the LED
panel will reflect enough signal to overdrive the
amplifier and you can check the output on the OPA 1, 7
pins with an oscilloscope. Taking the mirror farther on
will result a weakening signal on the amplifier output.
Set the orientation of the diodes to be able to get the
maximum signal amplitude on the oscilloscope screen.
This is the heaviest part of the work, don't deal too
much with it until the complete circuit is not built.
Just adjust a static state of the construction to give
the maximum signal amplitude on the output when nothing
is between the diodes and the mirror and give a small
noise only when the line of sight is covered. If you are
ready with it, you can adjust the schmitt triggers built
of the other two OPA parts to generate TTL pulses when
the analog signal is at its maximum and stay on the same
DC level when the received signal is missing.
Click Here to
view Circuit
It is also important to protect the receiver diodes from
direct light as natural light will weaken the
sensitivity of the diodes, and lamps will transform the
50/60 Hz modulation present in the line power. Small
noise is not problem, but the received signal from the
TX generator should be stronger to be able to detect it.
After the ST adjustments, connect LEDs to the 74123's
TTL outputs through proper value resistors. The 74123
here is used as a demodulator. If there is a periodic
signal change on the input, the output will be high,
while if there is no activity on the input for a given
period of time, the output falls low. When you cover the
line of sight of one receiver diode, the corresponding
LED turns off. There should not be any flickering in the
turning on/off, the output should immediately respond to
the change without blinking.
Click Here to
view Circuit
If still everything is correctly working at this point,
the remaining digital circuit is the easy part of the
work. The outputs of the previous circuit (LEFT, RIGHT)
directly connect to the remaining part. The RS memory
built from two NAND gates remembers the way of the last
movement direction, so if someone is in or not. If you
experience problems, connect another LED to pin 10 of
the RS and check if this part does what it should. If
there was any activity in the past minutes, the first
timer is running, but it can only trigger the second
timer part, if someone is still inside. The diode from
the second timer output prevents resetting itself before
the timing period is over in case of another movement.
For a 1 minute timing (first timer) R=470k C=100u can be
used, the second part would use R=1.5M C=470u for about
a 15 minute timing (t=1.1RC). The output of the second
timer (pin 9) can drive a relay activating the
ventillator. |