|
There
Short-range 35KHz operation, single-channel unit
Simple
circuitry, no outer antennas required

R1_____________68K 1/4W Resistor
C1______________4n7 630V Ceramic or
Polyester Capacitor
C2__________60-80pF 63V Ceramic Trimmer
C3____________100΅F 25V Electrolytic
Capacitor
Q1____________BC337 45V 800mA NPN
Transistor
Q2____________BD139 80V 1.5A NPN
Transistor
L1_________________ 500 turns on a 10mm.
diameter, 10cm. long ferrite rod.
Enameled wire diameter: 0.2mm.
The tap is made after 200 turns, ground
side
P1_____________SPST Pushbutton
B1_____________6-9V Battery (4 to 6 AA
1.5V Cells in series, see Notes)

R1,R3___________1M 1/4W Resistors
R2,R4__________47K 1/4W Resistors
R5____________330K 1/4W Resistor
R6,R7__________68K 1/4W Resistors
R8____________180R 1/4W Resistor
R9____________100R 1/4W Resistor
C1____________470pF 63V Ceramic
Capacitor (See Notes)
C2_____________10nF 63V Polyester or
Ceramic Capacitor
C3____________100΅F 25V Electrolytic
Capacitor
C4,C5_________100nF 63V Polyester or
Ceramic Capacitors
C6______________1΅F 63V Polyester,
Ceramic or Electrolytic Capacitor
D1_____________5 or 3mm. Red LED
Q1,Q2,Q3______BC549C 25V 100mA NPN
High-gain Low-noise Transistors
Q4____________BD328 30V 800mA PNP
Transistor
L1_________________ 700 turns on a 10mm.
diameter, 10cm. long ferrite rod.
Enameled wire diameter: 0.2mm.
The tap is made after 350 turns, i.e. at
the center of the winding
BZ1___________Piezo sounder
(incorporating 3KHz oscillator, optional, see Notes)
RL1______________5V DIL Reed-Relay SPDT
or DPDT (Optional, see Notes)
B1_______________3V Battery (2 x 1.5V
AA, AAA or AAAA Cells in series or 1 x 3V Lithium Cell)
This unit can be useful as a
short-range, single-channel remote-control. When the
pushbutton in the transmitter circuit is briefly
activated, the LED D1 in the receiver illuminates and an
optional beeper or relay can be operated.
Circuit operation is based on a
non-modulated 35KHz frequency carrier transmitter, and
on a high-gain two-stage 35KHz amplifier receiver,
followed by a frequency-voltage converter and DC load
driver.
Outstanding features for this design are
as follows:
-
No outer antenna is required on both
transmitter and receiver sections, due to the very low
frequency operation. The antennas are 10mm. diameter,
10cm. long ferrite rods supporting the coils.
-
Unlike Infra-red remote-controls, this
unit operates through the walls etc.
-
No radio-frequency interference in spite
of simple circuitry.
-
The receiver operates at ultra-low
voltage supply (3V) and standing current (100΅A): in
this manner it can be left in stand-by mode for years
before a battery replacement is needed.
Snags are: the short-range operation
(about a medium-sized apartment), the high number of
windings for the coils and the high current drawn by the
transmitter.
Luckily, this latter snag is compensated
by the fact that only a short pulse from the transmitter
is needed to operate the receiver. Therefore, if the
transmitter is not operated continuously, its battery
should last long.
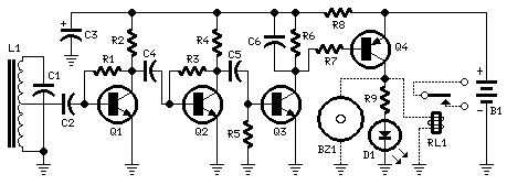
Q1 and Q2 are wired as a Darlington pair
to obtain the highest possible output from a Hartley
type oscillator. C2 must be trimmed to obtain the
highest sinewave output (best viewed on oscilloscope).
In the prototype the sinewave amplitude measured at C1
leads reached 800V peak-to-peak at 9V supply and 450mA
current.
Q1 and Q2 form a two-stage linear
amplifier. Therefore, the small 35KHz signal picked-up
by L1 is highly amplified by these devices and feds Q3
wired as a pulse-to-DC converter.
When the input signal reaches Q3, the
collector voltage of this transistor goes low, thus
activating the LED D1 (or the optional beeper or relay)
by means of Q4.
Stand-by current is only 100΅A. Current
drawing is about 10mA when the LED is on and about 20mA
when a relay is activated.
-
Q2 in the transmitter should have a
small heatsink.
-
A good compromise is to use a 6V supply
for the transmitter (four 1.5V AA cells in series). In
this case current drawing is 300mA.
-
Needing a shorter range operation, Q2 in
the transmitter can be omitted. Therefore, the emitter
of Q1 will be connected to the tap of L1 coil. In this
case the circuit could be powered by a 9V PP3 alkaline
battery, drawing about 100mA current.
-
The receiver must be tuned to the
transmitter frequency. Starting with a 470pF value for
C1, you should try to modify its value by means of small
capacitors wired in parallel to it, in order to obtain
the highest AC voltage output at Q2 or Q1 collector
(best measured with an oscilloscope). C1 value might
vary from about 400 to 800pF.
-
Do this setup with transmitter placed
4-5 meters away from receiver. During setup it is wise
to temporarily connect the transmitter to a 6 or 9V
regulated power supply, in order to save batteries.
-
A small DIL 5V reed-relay was used in
spite of the 3V supply of the receiver. Several devices
of this type were tested and it was found that they
switch-on with a coil voltage value comprised in the 1.9
- 2.1V range. The coil resistance values varied from 140
to 250 Ohm.
|