| Series and parallel inductorsWhen inductors are connected in series, the 
                    total inductance is the sum of the individual inductors' 
                    inductances. To understand why this is so, consider the 
                    following: the definitive measure of inductance is the 
                    amount of voltage dropped across an inductor for a given 
                    rate of current change through it. If inductors are 
                    connected together in series (thus sharing the same current, 
                    and seeing the same rate of change in current), then the 
                    total voltage dropped as the result of a change in current 
                    will be additive with each inductor, creating a greater 
                    total voltage than either of the individual inductors alone. 
                    Greater voltage for the same rate of change in current means 
                    greater inductance.  
                      Thus, the total inductance for series 
                    inductors is more than any one of the individual inductors' 
                    inductances. The formula for calculating the series total 
                    inductance is the same form as for calculating series 
                    resistances:  
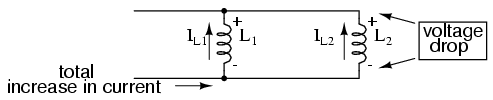
                      When inductors are connected in parallel, 
                    the total inductance is less than any one of the parallel 
                    inductors' inductances. Again, remember that the definitive 
                    measure of inductance is the amount of voltage dropped 
                    across an inductor for a given rate of current change 
                    through it. Since the current through each parallel inductor 
                    will be a fraction of the total current, and the voltage 
                    across each parallel inductor will be equal, a change in 
                    total current will result in less voltage dropped across the 
                    parallel array than for any one of the inductors considered 
                    separately. In other words, there will be less voltage 
                    dropped across parallel inductors for a given rate of change 
                    in current than for any of of those inductors considered 
                    separately, because total current divides among parallel 
                    branches. Less voltage for the same rate of change in 
                    current means less inductance.  
                      Thus, the total inductance is less than any 
                    one of the individual inductors' inductances. The formula 
                    for calculating the parallel total inductance is the same 
                    form as for calculating parallel resistances:  
                      |