| We've already seen one example of a monostable 
    multivibrator in use: the pulse detector used within the circuitry of 
    flip-flops, to enable the latch portion for a brief time when the clock 
    input signal transitions from either low to high or high to low. The pulse 
    detector is classified as a monostable multivibrator because it has only 
    one stable state. By stable, I mean a state of output where the 
    device is able to latch or hold to forever, without external prodding. A 
    latch or flip-flop, being a bistable device, can hold in either the "set" or 
    "reset" state for an indefinite period of time. Once it's set or reset, it 
    will continue to latch in that state unless prompted to change by an 
    external input. A monostable device, on the other hand, is only able to hold 
    in one particular state indefinitely. Its other state can only be held 
    momentarily when triggered by an external input.
     A mechanical analogy of a monostable device would be a momentary contact 
    pushbutton switch, which spring-returns to its normal (stable) position when 
    pressure is removed from its button actuator. Likewise, a standard wall 
    (toggle) switch, such as the type used to turn lights on and off in a house, 
    is a bistable device. It can latch in one of two modes: on or off.  All monostable multivibrators are timed devices. That is, their 
    unstable output state will hold only for a certain minimum amount of time 
    before returning to its stable state. With semiconductor monostable 
    circuits, this timing function is typically accomplished through the use of 
    resistors and capacitors, making use of the exponential charging rates of RC 
    circuits. A comparator is often used to compare the voltage across the 
    charging (or discharging) capacitor with a steady reference voltage, and the 
    on/off output of the comparator used for a logic signal. With ladder logic, 
    time delays are accomplished with time-delay relays, which can be 
    constructed with semiconductor/RC circuits like that just mentioned, or 
    mechanical delay devices which impede the immediate motion of the relay's 
    armature. Note the design and operation of the pulse detector circuit in 
    ladder logic:  
      No matter how long the input signal stays high (1), the output remains 
    high for just 1 second of time, then returns to its normal (stable) low 
    state.  For some applications, it is necessary to have a monostable device that 
    outputs a longer pulse than the input pulse which triggers it. Consider the 
    following ladder logic circuit:  
      When the input contact closes, TD1 contact immediately closes, 
    and stays closed for 10 seconds after the input contact opens. No matter how 
    short the input pulse is, the output stays high (1) for exactly 10 seconds 
    after the input drops low again. This kind of monostable multivibrator is 
    called a one-shot. More specifically, it is a retriggerable 
    one-shot, because the timing begins after the input drops to a low state, 
    meaning that multiple input pulses within 10 seconds of each other will 
    maintain a continuous high output:  
      One application for a retriggerable one-shot is that of a single 
    mechanical contact debouncer. As you can see from the above timing diagram, 
    the output will remain high despite "bouncing" of the input signal from a 
    mechanical switch. Of course, in a real-life switch debouncer circuit, you'd 
    probably want to use a time delay of much shorter duration than 10 seconds, 
    as you only need to "debounce" pulses that are in the millisecond range.  
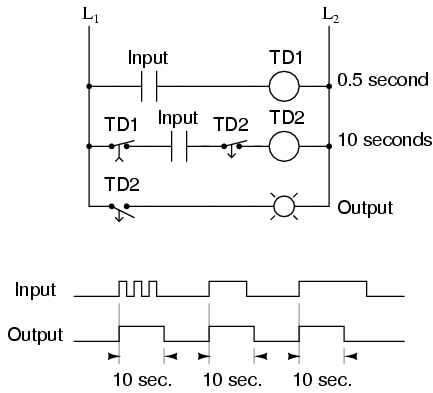
      What if we only wanted a 10 second timed pulse output from a relay logic 
    circuit, regardless of how many input pulses we received or how 
    long-lived they may be? In that case, we'd have to couple a pulse-detector 
    circuit to the retriggerable one-shot time delay circuit, like this:  
      Time delay relay TD1 provides an "on" pulse to time delay 
    relay coil TD2 for an arbitrarily short moment (in this circuit, 
    for at least 0.5 second each time the input contact is actuated). As soon as 
    TD2 is energized, the normally-closed, timed-closed TD2 
    contact in series with it prevents coil TD2 from being 
    re-energized as long as it's timing out (10 seconds). This effectively makes 
    it unresponsive to any more actuations of the input switch during that 10 
    second period.  Only after TD2 times out does the normally-closed, 
    timed-closed TD2 contact in series with it allow coil TD2 
    to be energized again. This type of one-shot is called a nonretriggerable 
    one-shot.  One-shot multivibrators of both the retriggerable and nonretriggerable 
    variety find wide application in industry for siren actuation and machine 
    sequencing, where an intermittent input signal produces an output signal of 
    a set time.  
      REVIEW: A monostable multivibrator has only one stable output state. 
      The other output state can only be maintained temporarily. Monostable multivibrators, sometimes called one-shots, come in 
      two basic varieties: retriggerable and nonretriggerable.
      One-shot circuits with very short time settings may be used to 
      debounce the "dirty" signals created by mechanical switch contacts.
       |