| It is sometimes useful in logic circuits to have 
    a multivibrator which changes state only when certain conditions are met, 
    regardless of its S and R input states. The conditional input is called the
    enable, and is symbolized by the letter E. Study the following 
    example to see how this works:
     
      When the E=0, the outputs of the two AND gates are forced to 0, 
    regardless of the states of either S or R. Consequently, the circuit behaves 
    as though S and R were both 0, latching the Q and not-Q outputs in their 
    last states. Only when the enable input is activated (1) will the latch 
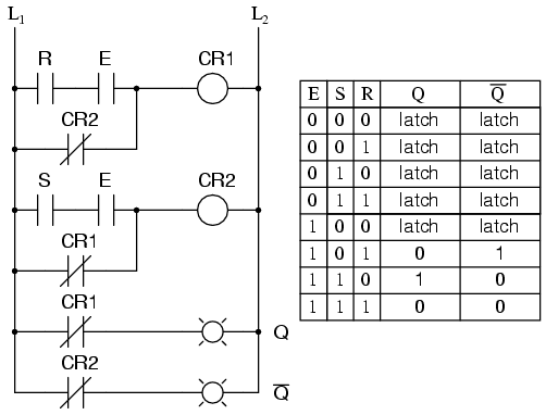
    respond to the S and R inputs. Note the identical function in ladder logic:
     
      A practical application of this might be the same motor control circuit 
    (with two normally-open pushbutton switches for start and stop), 
    except with the addition of a master lockout input (E) that disables both 
    pushbuttons from having control over the motor when it's low (0).  Once again, these multivibrator circuits are available as prepackaged 
    semiconductor devices, and are symbolized as such:  
      It is also common to see the enable input designated by the letters "EN" 
    instead of just "E."  
      REVIEW: The enable input on a multivibrator must be activated for 
      either S or R inputs to have any effect on the output state. This enable input is sometimes labeled "E", and other times as "EN".
       |