| Strain gaugesIf a strip of conductive metal is stretched, 
                    it will become skinnier and longer, both changes resulting 
                    in an increase of electrical resistance end-to-end. 
                    Conversely, if a strip of conductive metal is placed under 
                    compressive force (without buckling), it will broaden and 
                    shorten. If these stresses are kept within the elastic limit 
                    of the metal strip (so that the strip does not permanently 
                    deform), the strip can be used as a measuring element for 
                    physical force, the amount of applied force inferred from 
                    measuring its resistance.  Such a device is called a strain gauge. 
                    Strain gauges are frequently used in mechanical engineering 
                    research and development to measure the stresses generated 
                    by machinery. Aircraft component testing is one area of 
                    application, tiny strain-gauge strips glued to structural 
                    members, linkages, and any other critical component of an 
                    airframe to measure stress. Most strain gauges are smaller 
                    than a postage stamp, and they look something like this:  
                      A strain gauge's conductors are very thin: 
                    if made of round wire, about 1/1000 inch in diameter. 
                    Alternatively, strain gauge conductors may be thin strips of 
                    metallic film deposited on a nonconducting substrate 
                    material called the carrier. The latter form of 
                    strain gauge is represented in the previous illustration. 
                    The name "bonded gauge" is given to strain gauges that are 
                    glued to a larger structure under stress (called the test 
                    specimen). The task of bonding strain gauges to test 
                    specimens may appear to be very simple, but it is not. 
                    "Gauging" is a craft in its own right, absolutely essential 
                    for obtaining accurate, stable strain measurements. It is 
                    also possible to use an unmounted gauge wire stretched 
                    between two mechanical points to measure tension, but this 
                    technique has its limitations.  Typical strain gauge resistances range from 
                    30 Ω to 3 kΩ (unstressed). This resistance may change only a 
                    fraction of a percent for the full force range of the gauge, 
                    given the limitations imposed by the elastic limits of the 
                    gauge material and of the test specimen. Forces great enough 
                    to induce greater resistance changes would permanently 
                    deform the test specimen and/or the gauge conductors 
                    themselves, thus ruining the gauge as a measurement device. 
                    Thus, in order to use the strain gauge as a practical 
                    instrument, we must measure extremely small changes in 
                    resistance with high accuracy.  Such demanding precision calls for a bridge 
                    measurement circuit. Unlike the Wheatstone bridge shown in 
                    the last chapter using a null-balance detector and a human 
                    operator to maintain a state of balance, a strain gauge 
                    bridge circuit indicates measured strain by the degree of 
                    imbalance, and uses a precision voltmeter in the center 
                    of the bridge to provide an accurate measurement of that 
                    imbalance:  
                      Typically, the rheostat arm of the bridge (R2 
                    in the diagram) is set at a value equal to the strain gauge 
                    resistance with no force applied. The two ratio arms of the 
                    bridge (R1 and R3) are set equal to 
                    each other. Thus, with no force applied to the strain gauge, 
                    the bridge will be symmetrically balanced and the voltmeter 
                    will indicate zero volts, representing zero force on the 
                    strain gauge. As the strain gauge is either compressed or 
                    tensed, its resistance will decrease or increase, 
                    respectively, thus unbalancing the bridge and producing an 
                    indication at the voltmeter. This arrangement, with a single 
                    element of the bridge changing resistance in response to the 
                    measured variable (mechanical force), is known as a 
                    quarter-bridge circuit.  As the distance between the strain gauge and 
                    the three other resistances in the bridge circuit may be 
                    substantial, wire resistance has a significant impact on the 
                    operation of the circuit. To illustrate the effects of wire 
                    resistance, I'll show the same schematic diagram, but add 
                    two resistor symbols in series with the strain gauge to 
                    represent the wires:  
                      The strain gauge's resistance (Rgauge) 
                    is not the only resistance being measured: the wire 
                    resistances Rwire1 and Rwire2, being 
                    in series with Rgauge, also contribute to the 
                    resistance of the lower half of the rheostat arm of the 
                    bridge, and consequently contribute to the voltmeter's 
                    indication. This, of course, will be falsely interpreted by 
                    the meter as physical strain on the gauge.  While this effect cannot be completely 
                    eliminated in this configuration, it can be minimized with 
                    the addition of a third wire, connecting the right side of 
                    the voltmeter directly to the upper wire of the strain 
                    gauge:  
                      Because the third wire carries practically 
                    no current (due to the voltmeter's extremely high internal 
                    resistance), its resistance will not drop any substantial 
                    amount of voltage. Notice how the resistance of the top wire 
                    (Rwire1) has been "bypassed" now that the 
                    voltmeter connects directly to the top terminal of the 
                    strain gauge, leaving only the lower wire's resistance (Rwire2) 
                    to contribute any stray resistance in series with the gauge. 
                    Not a perfect solution, of course, but twice as good as the 
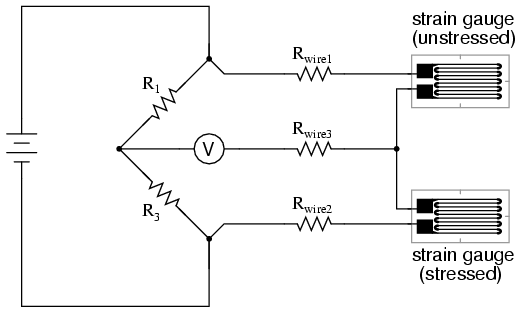
                    last circuit!  There is a way, however, to reduce wire 
                    resistance error far beyond the method just described, and 
                    also help mitigate another kind of measurement error due to 
                    temperature. An unfortunate characteristic of strain gauges 
                    is that of resistance change with changes in temperature. 
                    This is a property common to all conductors, some more than 
                    others. Thus, our quarter-bridge circuit as shown (either 
                    with two or with three wires connecting the gauge to the 
                    bridge) works as a thermometer just as well as it does a 
                    strain indicator. If all we want to do is measure strain, 
                    this is not good. We can transcend this problem, however, by 
                    using a "dummy" strain gauge in place of R2, so 
                    that both elements of the rheostat arm will change 
                    resistance in the same proportion when temperature changes, 
                    thus canceling the effects of temperature change:  
                      Resistors R1 and R3 
                    are of equal resistance value, and the strain gauges are 
                    identical to one another. With no applied force, the bridge 
                    should be in a perfectly balanced condition and the 
                    voltmeter should register 0 volts. Both gauges are bonded to 
                    the same test specimen, but only one is placed in a position 
                    and orientation so as to be exposed to physical strain (the
                    active gauge). The other gauge is isolated from all 
                    mechanical stress, and acts merely as a temperature 
                    compensation device (the "dummy" gauge). If the 
                    temperature changes, both gauge resistances will change by 
                    the same percentage, and the bridge's state of balance will 
                    remain unaffected. Only a differential resistance 
                    (difference of resistance between the two strain gauges) 
                    produced by physical force on the test specimen can alter 
                    the balance of the bridge.  Wire resistance doesn't impact the accuracy 
                    of the circuit as much as before, because the wires 
                    connecting both strain gauges to the bridge are 
                    approximately equal length. Therefore, the upper and lower 
                    sections of the bridge's rheostat arm contain approximately 
                    the same amount of stray resistance, and their effects tend 
                    to cancel:  
                      Even though there are now two strain gauges 
                    in the bridge circuit, only one is responsive to mechanical 
                    strain, and thus we would still refer to this arrangement as 
                    a quarter-bridge. However, if we were to take the 
                    upper strain gauge and position it so that it is exposed to 
                    the opposite force as the lower gauge (i.e. when the upper 
                    gauge is compressed, the lower gauge will be stretched, and 
                    visa-versa), we will have both gauges responding to 
                    strain, and the bridge will be more responsive to applied 
                    force. This utilization is known as a half-bridge. 
                    Since both strain gauges will either increase or decrease 
                    resistance by the same proportion in response to changes in 
                    temperature, the effects of temperature change remain 
                    canceled and the circuit will suffer minimal 
                    temperature-induced measurement error:  
                      An example of how a pair of strain gauges 
                    may be bonded to a test specimen so as to yield this effect 
                    is illustrated here:  
                      With no force applied to the test specimen, 
                    both strain gauges have equal resistance and the bridge 
                    circuit is balanced. However, when a downward force is 
                    applied to the free end of the specimen, it will bend 
                    downward, stretching gauge #1 and compressing gauge #2 at 
                    the same time:  
                      In applications where such complementary 
                    pairs of strain gauges can be bonded to the test specimen, 
                    it may be advantageous to make all four elements of the 
                    bridge "active" for even greater sensitivity. This is called 
                    a full-bridge circuit:  
                      Both half-bridge and full-bridge 
                    configurations grant greater sensitivity over the 
                    quarter-bridge circuit, but often it is not possible to bond 
                    complementary pairs of strain gauges to the test specimen. 
                    Thus, the quarter-bridge circuit is frequently used in 
                    strain measurement systems.  When possible, the full-bridge configuration 
                    is the best to use. This is true not only because it is more 
                    sensitive than the others, but because it is linear 
                    while the others are not. Quarter-bridge and half-bridge 
                    circuits provide an output (imbalance) signal that is only
                    approximately proportional to applied strain gauge 
                    force. Linearity, or proportionality, of these bridge 
                    circuits is best when the amount of resistance change due to 
                    applied force is very small compared to the nominal 
                    resistance of the gauge(s). With a full-bridge, however, the 
                    output voltage is directly proportional to applied force, 
                    with no approximation (provided that the change in 
                    resistance caused by the applied force is equal for all four 
                    strain gauges!).  Unlike the Wheatstone and Kelvin bridges, 
                    which provide measurement at a condition of perfect balance 
                    and therefore function irrespective of source voltage, the 
                    amount of source (or "excitation") voltage matters in an 
                    unbalanced bridge like this. Therefore, strain gauge bridges 
                    are rated in millivolts of imbalance produced per 
                    volt of excitation, per unit measure of force. A 
                    typical example for a strain gauge of the type used for 
                    measuring force in industrial environments is 15 mV/V at 
                    1000 pounds. That is, at exactly 1000 pounds applied force 
                    (either compressive or tensile), the bridge will be 
                    unbalanced by 15 millivolts for every volt of excitation 
                    voltage. Again, such a figure is precise if the bridge 
                    circuit is full-active (four active strain gauges, one in 
                    each arm of the bridge), but only approximate for 
                    half-bridge and quarter-bridge arrangements.  Strain gauges may be purchased as complete 
                    units, with both strain gauge elements and bridge resistors 
                    in one housing, sealed and encapsulated for protection from 
                    the elements, and equipped with mechanical fastening points 
                    for attachment to a machine or structure. Such a package is 
                    typically called a load cell.  Like many of the other topics addressed in 
                    this chapter, strain gauge systems can become quite complex, 
                    and a full dissertation on strain gauges would be beyond the 
                    scope of this book.  
                      
                      REVIEW: 
                      A strain gauge is a thin strip of metal 
                      designed to measure mechanical load by changing resistance 
                      when stressed (stretched or compressed within its elastic 
                      limit). 
                      Strain gauge resistance changes are 
                      typically measured in a bridge circuit, to allow for 
                      precise measurement of the small resistance changes, and 
                      to provide compensation for resistance variations due to 
                      temperature |