| Analysis techniqueThe goal of series-parallel resistor circuit 
                    analysis is to be able to determine all voltage drops, 
                    currents, and power dissipations in a circuit. The general 
                    strategy to accomplish this goal is as follows:  
                      
                      Step 1: Assess which resistors in a 
                      circuit are connected together in simple series or simple 
                      parallel. 
                      Step 2: Re-draw the circuit, replacing 
                      each of those series or parallel resistor combinations 
                      identified in step 1 with a single, equivalent-value 
                      resistor. If using a table to manage variables, make a new 
                      table column for each resistance equivalent. 
                      Step 3: Repeat steps 1 and 2 until the 
                      entire circuit is reduced to one equivalent resistor. 
                      Step 4: Calculate total current from total 
                      voltage and total resistance (I=E/R). 
                      Step 5: Taking total voltage and total 
                      current values, go back to last step in the circuit 
                      reduction process and insert those values where 
                      applicable. 
                      Step 6: From known resistances and total 
                      voltage / total current values from step 5, use Ohm's Law 
                      to calculate unknown values (voltage or current) (E=IR or 
                      I=E/R). 
                      Step 7: Repeat steps 5 and 6 until all 
                      values for voltage and current are known in the original 
                      circuit configuration. Essentially, you will proceed 
                      step-by-step from the simplified version of the circuit 
                      back into its original, complex form, plugging in values 
                      of voltage and current where appropriate until all values 
                      of voltage and current are known. 
                      Step 8: Calculate power dissipations from 
                      known voltage, current, and/or resistance values.  This may sound like an intimidating process, 
                    but it's much easier understood through example than through 
                    description.  
                        
 
 
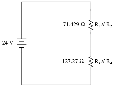
                      In the example circuit above, R1 
                    and R2 are connected in a simple parallel 
                    arrangement, as are R3 and R4. Having 
                    been identified, these sections need to be converted into 
                    equivalent single resistors, and the circuit re-drawn:  
                      The double slash (//) symbols represent 
                    "parallel" to show that the equivalent resistor values were 
                    calculated using the 1/(1/R) formula. The 71.429 Ω resistor 
                    at the top of the circuit is the equivalent of R1 
                    and R2 in parallel with each other. The 127.27 Ω 
                    resistor at the bottom is the equivalent of R3 
                    and R4 in parallel with each other.  Our table can be expanded to include these 
                    resistor equivalents in their own columns:  
                      It should be apparent now that the circuit 
                    has been reduced to a simple series configuration with only 
                    two (equivalent) resistances. The final step in reduction is 
                    to add these two resistances to come up with a total circuit 
                    resistance. When we add those two equivalent resistances, we 
                    get a resistance of 198.70 Ω. Now, we can re-draw the 
                    circuit as a single equivalent resistance and add the total 
                    resistance figure to the rightmost column of our table. Note 
                    that the "Total" column has been relabeled (R1//R2--R3//R4) 
                    to indicate how it relates electrically to the other columns 
                    of figures. The "--" symbol is used here to represent 
                    "series," just as the "//" symbol is used to represent 
                    "parallel."  
                        
 
 
                      Now, total circuit current can be determined 
                    by applying Ohm's Law (I=E/R) to the "Total" column in the 
                    table:  
                      Back to our equivalent circuit drawing, our 
                    total current value of 120.78 milliamps is shown as the only 
                    current here:  
                      Now we start to work backwards in our 
                    progression of circuit re-drawings to the original 
                    configuration. The next step is to go to the circuit where R1//R2 
                    and R3//R4 are in series:  
                      Since R1//R2 and R3//R4 
                    are in series with each other, the current through those two 
                    sets of equivalent resistances must be the same. 
                    Furthermore, the current through them must be the same as 
                    the total current, so we can fill in our table with the 
                    appropriate current values, simply copying the current 
                    figure from the Total column to the R1//R2 
                    and R3//R4 columns:  
                      Now, knowing the current through the 
                    equivalent resistors R1//R2 and R3//R4, 
                    we can apply Ohm's Law (E=IR) to the two right vertical 
                    columns to find voltage drops across them:  
                        
 
 
                      Because we know R1//R2 
                    and R3//R4 are parallel resistor 
                    equivalents, and we know that voltage drops in parallel 
                    circuits are the same, we can transfer the respective 
                    voltage drops to the appropriate columns on the table for 
                    those individual resistors. In other words, we take another 
                    step backwards in our drawing sequence to the original 
                    configuration, and complete the table accordingly:  
                        
 
 
                      Finally, the original section of the table 
                    (columns R1 through R4) is complete 
                    with enough values to finish. Applying Ohm's Law to the 
                    remaining vertical columns (I=E/R), we can determine the 
                    currents through R1, R2, R3, 
                    and R4 individually:  
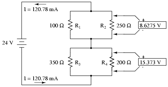
                      Having found all voltage and current values 
                    for this circuit, we can show those values in the schematic 
                    diagram as such:  
                      As a final check of our work, we can see if 
                    the calculated current values add up as they should to the 
                    total. Since R1 and R2 are in 
                    parallel, their combined currents should add up to the total 
                    of 120.78 mA. Likewise, since R3 and R4 
                    are in parallel, their combined currents should also add up 
                    to the total of 120.78 mA. You can check for yourself to 
                    verify that these figures do add up as expected.  A computer simulation can also be used to 
                    verify the accuracy of these figures. The following SPICE 
                    analysis will show all resistor voltages and currents (note 
                    the current-sensing vi1, vi2, . . . "dummy" voltage sources 
                    in series with each resistor in the netlist, necessary for 
                    the SPICE computer program to track current through each 
                    path). These voltage sources will be set to have values of 
                    zero volts each so they will not affect the circuit in any 
                    way.  
                      series-parallel circuit
 v1 1 0
 vi1 1 2 dc 0
 vi2 1 3 dc 0
 r1 2 4 100
 r2 3 4 250
 vi3 4 5 dc 0
 vi4 4 6 dc 0
 r3 5 0 350
 r4 6 0 200
 .dc v1 24 24 1
 .print dc v(2,4) v(3,4) v(5,0) v(6,0)
 .print dc i(vi1) i(vi2) i(vi3) i(vi4)
 .end
 I've annotated SPICE's output figures to 
                    make them more readable, denoting which voltage and current 
                    figures belong to which resistors.    v1            v(2,4)      v(3,4)      v(5)        v(6)        
2.400E+01     8.627E+00   8.627E+00   1.537E+01   1.537E+01
Battery       R1 voltage  R2 voltage  R3 voltage  R4 voltage
voltage   v1            i(vi1)      i(vi2)      i(vi3)      i(vi4)      
2.400E+01     8.627E-02   3.451E-02   4.392E-02   7.686E-02
Battery       R1 current  R2 current  R3 current  R4 current
voltage 
 As you can see, all the figures do agree 
                    with the our calculated values.  
                      
                      REVIEW: 
                      To analyze a series-parallel combination 
                      circuit, follow these steps: 
                      Reduce the original circuit to a single 
                      equivalent resistor, re-drawing the circuit in each step 
                      of reduction as simple series and simple parallel parts 
                      are reduced to single, equivalent resistors. 
                      Solve for total resistance. 
                      Solve for total current (I=E/R). 
                      Determine equivalent resistor voltage 
                      drops and branch currents one stage at a time, working 
                      backwards to the original circuit configuration again.
                       |