| Re-drawing complex 
                    schematicsTypically, complex circuits are not arranged 
                    in nice, neat, clean schematic diagrams for us to follow. 
                    They are often drawn in such a way that makes it difficult 
                    to follow which components are in series and which are in 
                    parallel with each other. The purpose of this section is to 
                    show you a method useful for re-drawing circuit schematics 
                    in a neat and orderly fashion. Like the stage-reduction 
                    strategy for solving series-parallel combination circuits, 
                    it is a method easier demonstrated than described.  Let's start with the following (convoluted) 
                    circuit diagram. Perhaps this diagram was originally drawn 
                    this way by a technician or engineer. Perhaps it was 
                    sketched as someone traced the wires and connections of a 
                    real circuit. In any case, here it is in all its ugliness:
                     
                      With electric circuits and circuit diagrams, 
                    the length and routing of wire connecting components in a 
                    circuit matters little. (Actually, in some AC circuits it 
                    becomes critical, and very long wire lengths can contribute 
                    unwanted resistance to both AC and DC circuits, but in most 
                    cases wire length is irrelevant.) What this means for us is 
                    that we can lengthen, shrink, and/or bend connecting wires 
                    without affecting the operation of our circuit.  The strategy I have found easiest to apply 
                    is to start by tracing the current from one terminal of the 
                    battery around to the other terminal, following the loop of 
                    components closest to the battery and ignoring all other 
                    wires and components for the time being. While tracing the 
                    path of the loop, mark each resistor with the appropriate 
                    polarity for voltage drop.  In this case, I'll begin my tracing of this 
                    circuit at the negative terminal of the battery and finish 
                    at the positive terminal, in the same general direction as 
                    the electrons would flow. When tracing this direction, I 
                    will mark each resistor with the polarity of negative on the 
                    entering side and positive on the exiting side, for that is 
                    how the actual polarity will be as electrons (negative in 
                    charge) enter and exit a resistor:  
                        
 
                      Any components encountered along this short 
                    loop are drawn vertically in order:  
                      Now, proceed to trace any loops of 
                    components connected around components that were just 
                    traced. In this case, there's a loop around R1 
                    formed by R2, and another loop around R3 
                    formed by R4:  
                      Tracing those loops, I draw R2 
                    and R4 in parallel with R1 and R3 
                    (respectively) on the vertical diagram. Noting the polarity 
                    of voltage drops across R3 and R1, I 
                    mark R4 and R2 likewise:  
                      Now we have a circuit that is very easily 
                    understood and analyzed. In this case, it is identical to 
                    the four-resistor series-parallel configuration we examined 
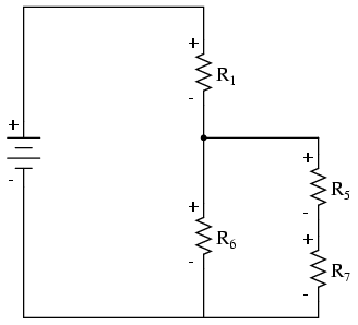
                    earlier in the chapter.  Let's look at another example, even uglier 
                    than the one before:  
                      The first loop I'll trace is from the 
                    negative (-) side of the battery, through R6, 
                    through R1, and back to the positive (+) end of 
                    the battery:  
                      Re-drawing vertically and keeping track of 
                    voltage drop polarities along the way, our equivalent 
                    circuit starts out looking like this:  
                      Next, we can proceed to follow the next loop 
                    around one of the traced resistors (R6), in this 
                    case, the loop formed by R5 and R7. As 
                    before, we start at the negative end of R6 and 
                    proceed to the positive end of R6, marking 
                    voltage drop polarities across R7 and R5 
                    as we go:  
                      Now we add the R5--R7 
                    loop to the vertical drawing. Notice how the voltage drop 
                    polarities across R7 and R5 correspond 
                    with that of R6, and how this is the same as what 
                    we found tracing R7 and R5 in the 
                    original circuit:  
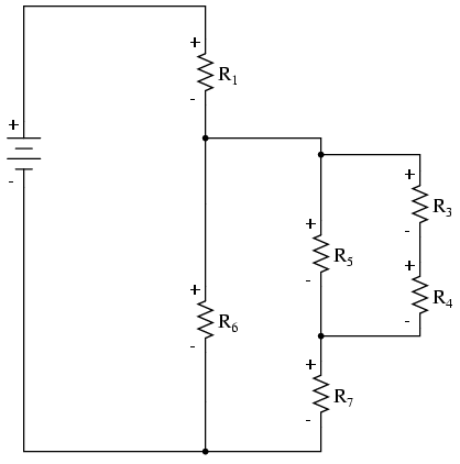
                      We repeat the process again, identifying and 
                    tracing another loop around an already-traced resistor. In 
                    this case, the R3--R4 loop around R5 
                    looks like a good loop to trace next:  
                      Adding the R3--R4 loop 
                    to the vertical drawing, marking the correct polarities as 
                    well:  
                      With only one remaining resistor left to 
                    trace, then next step is obvious: trace the loop formed by R2 
                    around R3:  
                      Adding R2 to the vertical 
                    drawing, and we're finished! The result is a diagram that's 
                    very easy to understand compared to the original:  
                      This simplified layout greatly eases the 
                    task of determining where to start and how to proceed in 
                    reducing the circuit down to a single equivalent (total) 
                    resistance. Notice how the circuit has been re-drawn, all we 
                    have to do is start from the right-hand side and work our 
                    way left, reducing simple-series and simple-parallel 
                    resistor combinations one group at a time until we're done.
                     In this particular case, we would start with 
                    the simple parallel combination of R2 and R3, 
                    reducing it to a single resistance. Then, we would take that 
                    equivalent resistance (R2//R3) and the 
                    one in series with it (R4), reducing them to 
                    another equivalent resistance (R2//R3--R4). 
                    Next, we would proceed to calculate the parallel equivalent 
                    of that resistance (R2//R3--R4) 
                    with R5, then in series with R7, then 
                    in parallel with R6, then in series with R1 
                    to give us a grand total resistance for the circuit as a 
                    whole.  From there we could calculate total current 
                    from total voltage and total resistance (I=E/R), then 
                    "expand" the circuit back into its original form one stage 
                    at a time, distributing the appropriate values of voltage 
                    and current to the resistances as we go.  
                      
                      REVIEW: 
                      Wires in diagrams and in real circuits can 
                      be lengthened, shortened, and/or moved without affecting 
                      circuit operation. 
                      To simplify a convoluted circuit 
                      schematic, follow these steps: 
                      Trace current from one side of the battery 
                      to the other, following any single path ("loop") to the 
                      battery. Sometimes it works better to start with the loop 
                      containing the most components, but regardless of the path 
                      taken the result will be accurate. Mark polarity of 
                      voltage drops across each resistor as you trace the loop. 
                      Draw those components you encounter along this loop in a 
                      vertical schematic. 
                      Mark traced components in the original 
                      diagram and trace remaining loops of components in the 
                      circuit. Use polarity marks across traced components as 
                      guides for what connects where. Document new components in 
                      loops on the vertical re-draw schematic as well. 
                      Repeat last step as often as needed until 
                      all components in original diagram have been traced.  |