| Millman's TheoremIn Millman's Theorem, the circuit is 
                    re-drawn as a parallel network of branches, each branch 
                    containing a resistor or series battery/resistor 
                    combination. Millman's Theorem is applicable only to those 
                    circuits which can be re-drawn accordingly. Here again is 
                    our example circuit used for the last two analysis methods:
                     
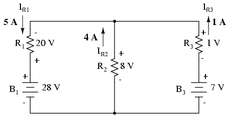
                      And here is that same circuit, re-drawn for 
                    the sake of applying Millman's Theorem:  
                      By considering the supply voltage within 
                    each branch and the resistance within each branch, Millman's 
                    Theorem will tell us the voltage across all branches. Please 
                    note that I've labeled the battery in the rightmost branch 
                    as "B3" to clearly denote it as being in the 
                    third branch, even though there is no "B2" in the 
                    circuit!  Millman's Theorem is nothing more than a 
                    long equation, applied to any circuit drawn as a set of 
                    parallel-connected branches, each branch with its own 
                    voltage source and series resistance:  
                      Substituting actual voltage and resistance 
                    figures from our example circuit for the variable terms of 
                    this equation, we get the following expression:  
                      The final answer of 8 volts is the voltage 
                    seen across all parallel branches, like this:  
                      The polarity of all voltages in Millman's 
                    Theorem are referenced to the same point. In the example 
                    circuit above, I used the bottom wire of the parallel 
                    circuit as my reference point, and so the voltages within 
                    each branch (28 for the R1 branch, 0 for the R2 
                    branch, and 7 for the R3 branch) were inserted 
                    into the equation as positive numbers. Likewise, when the 
                    answer came out to 8 volts (positive), this meant that the 
                    top wire of the circuit was positive with respect to the 
                    bottom wire (the original point of reference). If both 
                    batteries had been connected backwards (negative ends up and 
                    positive ends down), the voltage for branch 1 would have 
                    been entered into the equation as a -28 volts, the voltage 
                    for branch 3 as -7 volts, and the resulting answer of -8 
                    volts would have told us that the top wire was negative with 
                    respect to the bottom wire (our initial point of reference).
                     To solve for resistor voltage drops, the 
                    Millman voltage (across the parallel network) must be 
                    compared against the voltage source within each branch, 
                    using the principle of voltages adding in series to 
                    determine the magnitude and polarity of voltage across each 
                    resistor:  
                      To solve for branch currents, each resistor 
                    voltage drop can be divided by its respective resistance 
                    (I=E/R):  
                      The direction of current through each 
                    resistor is determined by the polarity across each resistor,
                    not by the polarity across each battery, as current 
                    can be forced backwards through a battery, as is the case 
                    with B3 in the example circuit. This is important 
                    to keep in mind, since Millman's Theorem doesn't provide as 
                    direct an indication of "wrong" current direction as does 
                    the Branch Current or Mesh Current methods. You must pay 
                    close attention to the polarities of resistor voltage drops 
                    as given by Kirchhoff's Voltage Law, determining direction 
                    of currents from that.  
                      Millman's Theorem is very convenient for 
                    determining the voltage across a set of parallel branches, 
                    where there are enough voltage sources present to preclude 
                    solution via regular series-parallel reduction method. It 
                    also is easy in the sense that it doesn't require the use of 
                    simultaneous equations. However, it is limited in that it 
                    only applied to circuits which can be re-drawn to fit this 
                    form. It cannot be used, for example, to solve an unbalanced 
                    bridge circuit. And, even in cases where Millman's Theorem 
                    can be applied, the solution of individual resistor voltage 
                    drops can be a bit daunting to some, the Millman's Theorem 
                    equation only providing a single figure for branch voltage.
                     As you will see, each network analysis 
                    method has its own advantages and disadvantages. Each method 
                    is a tool, and there is no tool that is perfect for all 
                    jobs. The skilled technician, however, carries these methods 
                    in his or her mind like a mechanic carries a set of tools in 
                    his or her tool box. The more tools you have equipped 
                    yourself with, the better prepared you will be for any 
                    eventuality.  
                      
                      REVIEW: 
                      Millman's Theorem treats circuits as a 
                      parallel set of series-component branches. 
                      All voltages entered and solved for in 
                      Millman's Theorem are polarity-referenced at the same 
                      point in the circuit (typically the bottom wire of the 
                      parallel network).  |