| Millman's Theorem 
                    revisitedYou may have wondered where we got that 
                    strange equation for the determination of "Millman Voltage" 
                    across parallel branches of a circuit where each branch 
                    contains a series resistance and voltage source:  
                      Parts of this equation seem familiar to 
                    equations we've seen before. For instance, the denominator 
                    of the large fraction looks conspicuously like the 
                    denominator of our parallel resistance equation. And, of 
                    course, the E/R terms in the numerator of the large fraction 
                    should give figures for current, Ohm's Law being what it is 
                    (I=E/R).  Now that we've covered Thevenin and Norton 
                    source equivalencies, we have the tools necessary to 
                    understand Millman's equation. What Millman's equation is 
                    actually doing is treating each branch (with its series 
                    voltage source and resistance) as a Thevenin equivalent 
                    circuit and then converting each one into equivalent Norton 
                    circuits.  
                      Thus, in the circuit above, battery B1 
                    and resistor R1 are seen as a Thevenin source to 
                    be converted into a Norton source of 7 amps (28 volts / 4 Ω) 
                    in parallel with a 4 Ω resistor. The rightmost branch will 
                    be converted into a 7 amp current source (7 volts / 1 Ω) and 
                    1 Ω resistor in parallel. The center branch, containing no 
                    voltage source at all, will be converted into a Norton 
                    source of 0 amps in parallel with a 2 Ω resistor:  
                      Since current sources directly add their 
                    respective currents in parallel, the total circuit current 
                    will be 7 + 0 + 7, or 14 amps. This addition of Norton 
                    source currents is what's being represented in the numerator 
                    of the Millman equation:  
                      All the Norton resistances are in parallel 
                    with each other as well in the equivalent circuit, so they 
                    diminish to create a total resistance. This diminishing of 
                    source resistances is what's being represented in the 
                    denominator of the Millman's equation:  
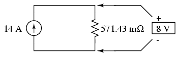
                      In this case, the resistance total will be 
                    equal to 571.43 milliohms (571.43 mΩ). We can re-draw our 
                    equivalent circuit now as one with a single Norton current 
                    source and Norton resistance:  
                      Ohm's Law can tell us the voltage across 
                    these two components now (E=IR):  
                        
 
 
                      Let's summarize what we know about the 
                    circuit thus far. We know that the total current in this 
                    circuit is given by the sum of all the branch voltages 
                    divided by their respective currents. We also know that the 
                    total resistance is found by taking the reciprocal of all 
                    the branch resistance reciprocals. Furthermore, we should be 
                    well aware of the fact that total voltage across all the 
                    branches can be found by multiplying total current by total 
                    resistance (E=IR). All we need to do is put together the two 
                    equations we had earlier for total circuit current and total 
                    resistance, multiplying them to find total voltage:  
                      The Millman's equation is nothing more than 
                    a Thevenin-to-Norton conversion matched together with the 
                    parallel resistance formula to find total voltage across all 
                    the branches of the circuit. So, hopefully some of the 
                    mystery is gone now!  |