| PWM power controllerPARTS AND MATERIALS  
                      
                      Four 6 volt batteries 
                      One capacitor, 100 �F electrolytic, 35 
                      WVDC (Radio Shack catalog # 272-1028 or equivalent) 
                      One capacitor, 0.1 �F, non-polarized 
                      (Radio Shack catalog # 272-135) 
                      One 555 timer IC (Radio Shack catalog # 
                      276-1723) 
                      Dual operational amplifier, model 1458 
                      recommended (Radio Shack catalog # 276-038) 
                      One NPN power transistor -- (Radio Shack 
                      catalog # 276-2041 or equivalent) 
                      Three 1N4001 rectifying diodes (Radio 
                      Shack catalog # 276-1101) 
                      One 10 kΩ potentiometer, linear taper 
                      (Radio Shack catalog # 271-1715) 
                      One 33 kΩ resistor 
                      12 volt automotive tail-light lamp 
                      Audio detector with headphones    CROSS-REFERENCES  Lessons In Electric Circuits, Volume 
                    3, chapter 8: "Operational Amplifiers"  Lessons In Electric Circuits, Volume 
                    2, chapter 7: "Mixed-Frequency AC Signals"    LEARNING OBJECTIVES  
                      
                      How to use the 555 timer as an astable 
                      multivibrator 
                      How to use an op-amp as a comparator 
                      How to use diodes to drop unwanted DC 
                      voltage 
                      How to control power to a load by 
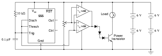
                      pulse-width modulation  SCHEMATIC DIAGRAM  
                      
 
 ILLUSTRATION  
                      
 
 INSTRUCTIONS  This circuit uses a 555 timer to generate a 
                    sawtooth voltage waveform across a capacitor, then compares 
                    that signal against a steady voltage provided by a 
                    potentiometer, using an op-amp as a comparator. The 
                    comparison of these two voltage signals produces a 
                    square-wave output from the op-amp, varying in duty cycle 
                    according to the potentiometer's position. This variable 
                    duty cycle signal then drives the base of a power 
                    transistor, switching current and and off through the load. 
                    The 555's oscillation frequency is much higher than the lamp 
                    filament's ability to thermally cycle (heat and cool), so 
                    any variation in duty cycle, or pulse width, has the 
                    effect of controlling the total power dissipated by the load 
                    over time.  
                      Controlling electrical power through a load 
                    by means of quickly switching it on and off, and varying the 
                    "on" time, is known as pulse-width modulation, or 
                    PWM. It is a very efficient means of controlling 
                    electrical power because the controlling element (the power 
                    transistor) dissipates comparatively little power in 
                    switching on and off, especially if compared to the wasted 
                    power dissipated of a rheostat in a similar situation. When 
                    the transistor is in cutoff, its power dissipation is zero 
                    because there is no current through it. When the transistor 
                    is saturated, its dissipation is very low because there is 
                    little voltage dropped between collector and emitter while 
                    it is conducting current.  PWM is a concept easier understood through 
                    experimentation than reading. It would be nice to view the 
                    capacitor voltage, potentiometer voltage, and op-amp output 
                    waveforms all on one (triple-trace) oscilloscope to see how 
                    they relate to one another, and to the load power. However, 
                    most of us have no access to a triple-trace oscilloscope, 
                    much less any oscilloscope at all, so an alternative method 
                    is to slow the 555 oscillator down enough that the three 
                    voltages may be compared with a simple DC voltmeter. Replace 
                    the 0.1 �F capacitor with one that is 100 �F or larger. This 
                    will slow the oscillation frequency down by a factor of at 
                    least a thousand, enabling you to measure the capacitor 
                    voltage slowly rise over time, and the op-amp output 
                    transition from "high" to "low" when the capacitor voltage 
                    becomes greater than the potentiometer voltage. With such a 
                    slow oscillation frequency, the load power will not be 
                    proportioned as before. Rather, the lamp will turn on and 
                    off at regular intervals. Feel free to experiment with other 
                    capacitor or resistor values to speed up the oscillations 
                    enough so the lamp never fully turns on or off, but is 
                    "throttled" by quick on-and-off pulsing of the transistor.
                     When you examine the schematic, you will 
                    notice two operational amplifiers connected in 
                    parallel. This is done to provide maximum current output to 
                    the base terminal of the power transistor. A single op-amp 
                    (one-half of a 1458 IC) may not be able to provide 
                    sufficient output current to drive the transistor into 
                    saturation, so two op-amps are used in tandem. This should 
                    only be done if the op-amps in question are 
                    overload-protected, which the 1458 series of op-amps are. 
                    Otherwise, it is possible (though unlikely) that one op-amp 
                    could turn on before the other, and damage result from the 
                    two outputs short-circuiting each other (one driving "high" 
                    and the other driving "low" simultaneously). The inherent 
                    short-circuit protection offered by the 1458 allows for 
                    direct driving of the power transistor base without any need 
                    for a current-limiting resistor.  The three diodes in series connecting the 
                    op-amps' outputs to the transistor's base are there to drop 
                    voltage and ensure the transistor falls into cutoff when the 
                    op-amp outputs go "low." Because the 1458 op-amp cannot 
                    swing its output voltage all the way down to ground 
                    potential, but only to within about 2 volts of ground, a 
                    direct connection from the op-amp to the transistor would 
                    mean the transistor would never fully turn off. Adding three 
                    silicon diodes in series drops approximately 2.1 volts (0.7 
                    volts times 3) to ensure there is minimal voltage at the 
                    transistor's base when the op-amp outputs go "low."  It is interesting to listen to the op-amp 
                    output signal through an audio detector as the potentiometer 
                    is adjusted through its full range of motion. Adjusting the 
                    potentiometer has no effect on signal frequency, but it 
                    greatly affects duty cycle. Note the difference in tone 
                    quality, or timbre, as the potentiometer varies the 
                    duty cycle from 0% to 50% to 100%. Varying the duty cycle 
                    has the effect of changing the harmonic content of the 
                    waveform, which makes the tone sound different.  You might notice a particular uniqueness to 
                    the sound heard through the detector headphones when the 
                    potentiometer is in center position (50% duty cycle -- 50% 
                    load power), versus a kind of similarity in sound just above 
                    or below 50% duty cycle. This is due to the absence or 
                    presence of even-numbered harmonics. Any waveform that is 
                    symmetrical above and below its centerline, such as a square 
                    wave with a 50% duty cycle, contains no even-numbered 
                    harmonics, only odd-numbered. If the duty cycle is below or 
                    above 50%, the waveform will not exhibit this 
                    symmetry, and there will be even-numbered harmonics. The 
                    presence of these even-numbered harmonic frequencies can be 
                    detected by the human ear, as some of them correspond to 
                    octaves of the fundamental frequency and thus "fit" more 
                    naturally into the tone scheme.  |