| Circuit effectsThe principle of non-sinusoidal, repeating 
                    waveforms being equivalent to a series of sine waves at 
                    different frequencies is a fundamental property of waves in 
                    general and it has great practical import in the study of AC 
                    circuits. It means that any time we have a waveform that 
                    isn't perfectly sine-wave-shaped, the circuit in question 
                    will react as though it's having an array of different 
                    frequency voltages imposed on it at once.  When an AC circuit is subjected to a source 
                    voltage consisting of a mixture of frequencies, the 
                    components in that circuit respond to each constituent 
                    frequency in a different way. Any reactive component such as 
                    a capacitor or an inductor will simultaneously present a 
                    unique amount of impedance to each and every frequency 
                    present in a circuit. Thankfully, the analysis of such 
                    circuits is made relatively easy by applying the 
                    Superposition Theorem, regarding the multiple-frequency 
                    source as a set of single-frequency voltage sources 
                    connected in series, and analyzing the circuit for one 
                    source at a time, summing the results at the end to 
                    determine the aggregate total:  
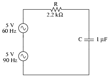
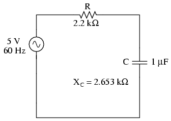
                      Analyzing circuit for 60 Hz source alone:
                     
                        
 
 
                      Analyzing the circuit for 90 Hz source 
                    alone:  
                        
 
 
                      Superimposing the voltage drops across R and 
                    C, we get:  
                      Because the two voltages across each 
                    component are at different frequencies, we cannot 
                    consolidate them into a single voltage figure as we could if 
                    we were adding together two voltages of different amplitude 
                    and/or phase angle at the same frequency. Complex number 
                    notation give us the ability to represent waveform amplitude 
                    (polar magnitude) and phase angle (polar angle), but not 
                    frequency.  What we can tell from this application of 
                    the superposition theorem is that there will be a greater 60 
                    Hz voltage dropped across the capacitor than a 90 Hz 
                    voltage. Just the opposite is true for the resistor's 
                    voltage drop. This is worthy to note, especially in light of 
                    the fact that the two source voltages are equal. It is this 
                    kind of unequal circuit response to signals of differing 
                    frequency that will be our specific focus in the next 
                    chapter.  We can also apply the superposition theorem 
                    to the analysis of a circuit powered by a non-sinusoidal 
                    voltage, such as a square wave. If we know the Fourier 
                    series (multiple sine/cosine wave equivalent) of that wave, 
                    we can regard it as originating from a series-connected 
                    string of multiple sinusoidal voltage sources at the 
                    appropriate amplitudes, frequencies, and phase shifts. 
                    Needless to say, this can be a laborious task for some 
                    waveforms (an accurate square-wave Fourier Series is 
                    considered to be expressed out to the ninth harmonic, or 
                    five sine waves in all!), but it is possible. I mention this 
                    not to scare you, but to inform you of the potential 
                    complexity lurking behind seemingly simple waveforms. A 
                    real-life circuit will respond just the same to being 
                    powered by a square wave as being powered by an infinite 
                    series of sine waves of odd-multiple frequencies and 
                    diminishing amplitudes. This has been known to translate 
                    into unexpected circuit resonances, transformer and inductor 
                    core overheating due to eddy currents, electromagnetic noise 
                    over broad ranges of the frequency spectrum, and the like. 
                    Technicians and engineers need to be made aware of the 
                    potential effects of non-sinusoidal waveforms in reactive 
                    circuits.  Harmonics are known to manifest their 
                    effects in the form of electromagnetic radiation as well. 
                    Studies have been performed on the potential hazards of 
                    using portable computers aboard passenger aircraft, citing 
                    the fact that computers' high frequency square-wave "clock" 
                    voltage signals are capable of generating radio waves that 
                    could interfere with the operation of the aircraft's 
                    electronic navigation equipment. It's bad enough that 
                    typical microprocessor clock signal frequencies are within 
                    the range of aircraft radio frequency bands, but worse yet 
                    is the fact that the harmonic multiples of those fundamental 
                    frequencies span an even larger range, due to the fact that 
                    clock signal voltages are square-wave in shape and not 
                    sine-wave.  Electromagnetic "emissions" of this nature 
                    can be a problem in industrial applications, too, with 
                    harmonics abounding in very large quantities due to 
                    (nonlinear) electronic control of motor and electric furnace 
                    power. The fundamental power line frequency may only be 60 
                    Hz, but those harmonic frequency multiples theoretically 
                    extend into infinitely high frequency ranges. Low frequency 
                    power line voltage and current doesn't radiate into space 
                    very well as electromagnetic energy, but high frequencies 
                    do.  Also, capacitive and inductive "coupling" 
                    caused by close-proximity conductors is usually more severe 
                    at high frequencies. Signal wiring nearby power wiring will 
                    tend to "pick up" harmonic interference from the power 
                    wiring to a far greater extent than pure sine-wave 
                    interference. This problem can manifest itself in industry 
                    when old motor controls are replaced with new, solid-state 
                    electronic motor controls providing greater energy 
                    efficiency. Suddenly there may be weird electrical noise 
                    being impressed upon signal wiring that never used to be 
                    there, because the old controls never generated harmonics, 
                    and those high-frequency harmonic voltages and currents tend 
                    to inductively and capacitively "couple" better to nearby 
                    conductors than any 60 Hz signals from the old controls used 
                    to.  
                      
                      REVIEW: 
                      Any regular (repeating), non-sinusoidal 
                      waveform is equivalent to a particular series of 
                      sine/cosine waves of different frequencies, phases, and 
                      amplitudes, plus a DC offset voltage if necessary. The 
                      mathematical process for determining the sinusoidal 
                      waveform equivalent for any waveform is called Fourier 
                      analysis. 
                      Multiple-frequency voltage sources can be 
                      simulated for analysis by connecting several 
                      single-frequency voltage sources in series. Analysis of 
                      voltages and currents is accomplished by using the 
                      superposition theorem. NOTE: superimposed voltages and 
                      currents of different frequencies cannot be added 
                      together in complex number form, since complex numbers 
                      only account for amplitude and phase shift, not frequency!
                      
                      Harmonics can cause problems by impressing 
                      unwanted ("noise") voltage signals upon nearby circuits. 
                      These unwanted signals may come by way of capacitive 
                      coupling, inductive coupling, electromagnetic radiation, 
                      or a combination thereof.  |