| Sound cancellationPARTS AND MATERIALS  Large, low-frequency ("woofer") speakers are 
                    most appropriate for this experiment. For optimum results, 
                    the speakers should be identical and mounted in enclosures.
                       CROSS-REFERENCES  Lessons In Electric Circuits, Volume 
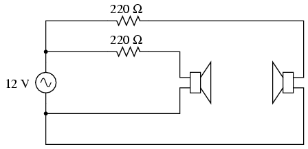
                    2, chapter 1: "Basic AC Theory"    LEARNING OBJECTIVES  SCHEMATIC DIAGRAM  
                      
 
 ILLUSTRATION  
                      
 
 INSTRUCTIONS  Connect each speaker to the low-voltage AC 
                    power supply through a 220 Ω resistor. The resistor limits 
                    the amount of power delivered to each speaker by the power 
                    supply. A low-pitched, 60-Hertz tone should be heard from 
                    the speakers. If the tone sounds too loud, use higher-value 
                    resistors.  With both speakers connected and producing 
                    sound, position them so that they are only a foot or two 
                    away, facing toward each other. Listen to the volume of the 
                    60-Hertz tone. Now, reverse the connections (the "polarity") 
                    of just one of the speakers and note the volume 
                    again. Try switching the polarity of one speaker back and 
                    forth from original to reversed, comparing volume levels 
                    each way. What do you notice?  By reversing wire connections to one 
                    speaker, you are reversing the phase of that 
                    speaker's sound wave in reference to the other speaker. In 
                    one mode, the sound waves will reinforce one another for a 
                    strong volume. In the other mode, the sound waves will 
                    destructively interfere, resulting in diminished volume. 
                    This phenomenon is common to all wave events: sound 
                    waves, electrical signals (voltage "waves"), waves in water, 
                    and even light waves!  Multiple speakers in a stereo sound system 
                    must be properly "phased" so that their respective sound 
                    waves don't cancel each other, leaving less total sound 
                    level for the listener(s) to hear. So, even in an AC system 
                    where there really is no such thing as constant "polarity," 
                    the sequence of wire connections may make a significant 
                    difference in system performance.  This principle of volume reduction by 
                    destructive interference may be exploited for noise 
                    cancellation. Such systems sample the waveform of the 
                    ambient noise, then produce an identical sound signal 180o 
                    out of phase with the noise. When the two sound signals 
                    meet, they cancel each other out, ideally eliminating all 
                    the noise. As one might guess, this is much easier 
                    accomplished with noise sources of steady frequency and 
                    amplitude. Cancellation of random, broad-spectrum noise is 
                    very difficult, as some sort of signal-processing circuit 
                    must sample the noise and generate precisely the right 
                    amount of cancellation sound at just the right time in order 
                    to be effective.  |