Home   |  Schematics |  Products |  Tutorials  |  Datasheets  |  Robotics   |   Download    |   Link Exchange


Direct Current
Alternating Current
Digital Electronics
PC Architecture
Electronics Dictionary
Resources

Experiment
Calculator/Converters
Radio
Newsletter
Associations and Societies
Component Manufacturers

Electronics Symentics


 
 
 

Phasing

Since transformers are essentially AC devices, we need to be aware of the phase relationships between the primary and secondary circuits. Using our SPICE example from before, we can plot the waveshapes for the primary and secondary circuits and see the phase relations for ourselves:

 

legend:
*: v(2)     Primary voltage   
+: v(3,5)   Secondary voltage
time       v(2)    
(*)-----------     -10         -5          0          5         10
(+)-----------     -10         -5          0          5         10
- - - - - - - - - - - - - - - - - - - - - - - - - - - - - - - - -
0.000E+00  0.000E+00 .          .          x          .          .
1.000E-03  3.675E+00 .          .          .    + *   .          .
2.000E-03  6.803E+00 .          .          .          . + *      .
3.000E-03  9.008E+00 .          .          .          .      +*  .
4.000E-03  9.955E+00 .          .          .          .          x
5.000E-03  9.450E+00 .          .          .          .        *+.
6.000E-03  7.672E+00 .          .          .          .    * +   .
7.000E-03  4.804E+00 .          .          .         *.+         .
8.000E-03  1.245E+00 .          .          .  *  +    .          .
9.000E-03 -2.474E+00 .          .     * +  .          .          .
1.000E-02 -5.864E+00 .         *+          .          .          .
1.100E-02 -8.390E+00 .    *+    .          .          .          .
1.200E-02 -9.779E+00 .x         .          .          .          .
1.300E-02 -9.798E+00 +*         .          .          .          .
1.400E-02 -8.390E+00 .   +*     .          .          .          .
1.500E-02 -5.854E+00 .       + *.          .          .          .
1.600E-02 -2.479E+00 .          .    + *   .          .          .
1.700E-02  1.246E+00 .          .          .+ *       .          .
1.800E-02  4.795E+00 .          .          .       + *.          .
1.900E-02  7.686E+00 .          .          .          .   + *    .
2.000E-02  9.451E+00 .          .          .          .        x .
2.100E-02  9.937E+00 .          .          .          .          x
2.200E-02  9.025E+00 .          .          .          .       *+ .
2.300E-02  6.802E+00 .          .          .          .  *+      .
2.400E-02  3.667E+00 .          .          .      * + .          .
2.500E-02 -1.487E-03 .          .          * +        .          .
2.600E-02 -3.658E+00 .          .   * +    .          .          .
2.700E-02 -6.814E+00 .      * + .          .          .          .
2.800E-02 -9.026E+00 .  *+      .          .          .          .
2.900E-02 -9.917E+00 *+         .          .          .          .
3.000E-02 -9.511E+00 .x         .          .          .          .
- - - - - - - - - - - - - - - - - - - - - - - - - - - - - - - - -
legend:
*: i(v1)   Primary current
+: i(vi1)  Secondary current  
time      i(v1)   
(*)---------- -2.000E-04   -1.000E-04      0   1.000E-04  2.000E-04
(+)---------- -1.000E-03   -5.000E-04      0   5.000E-04  1.000E-03
- - - - - - - - - - - - - - - - - - - - - - - - - - - - - - - - -
0.000E+00  0.000E+00 .          .          x          .          .
1.000E-03 -2.973E-05 .          .     +   *.          .          .
2.000E-03 -6.279E-05 .        + .    *     .          .          .
3.000E-03 -8.772E-05 .   +      . *        .          .          .
4.000E-03 -1.008E-04 +          *          .          .          .
5.000E-03 -9.954E-05 .+         *          .          .          .
6.000E-03 -8.522E-05 .    +     . *        .          .          .
7.000E-03 -5.919E-05 .         +.     *    .          .          .
8.000E-03 -2.500E-05 .          .       + *.          .          .
9.000E-03  1.212E-05 .          .          . *  +     .          .
1.000E-02  4.736E-05 .          .          .     *    .+         .
1.100E-02  7.521E-05 .          .          .       *  .     +    .
1.200E-02  9.250E-05 .          .          .         *.         +.
1.300E-02  9.648E-05 .          .          .         *.          +
1.400E-02  8.602E-05 .          .          .        * .      +   .
1.500E-02  6.362E-05 .          .          .     *    . +        .
1.600E-02  3.177E-05 .          .          .  *  +    .          .
1.700E-02 -4.998E-06 .          .          x          .          .
1.800E-02 -4.136E-05 .          .  +    *  .          .          .
1.900E-02 -7.246E-05 .     +    .   *      .          .          .
2.000E-02 -9.331E-05 . +        .*         .          .          .
2.100E-02 -1.019E-04 +          *          .          .          .
2.200E-02 -9.651E-05 . +        *          .          .          .
2.300E-02 -7.749E-05 .     +    .  *       .          .          .
2.400E-02 -4.842E-05 .          . +    *   .          .          .
2.500E-02 -1.275E-05 .          .         x.          .          .
2.600E-02  2.428E-05 .          .          .  *  +    .          .
2.700E-02  5.761E-05 .          .          .     *    .+         .
2.800E-02  8.261E-05 .          .          .        * .       +  .
2.900E-02  9.514E-05 .          .          .         *.         +.
3.000E-02  9.487E-05 .          .          .         *.         +.
- - - - - - - - - - - - - - - - - - - - - - - - - - - - - - - - -

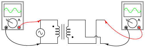
It would appear that both voltage and current for the two transformer windings are in phase with each other, at least for our resistive load. This is simple enough, but it would be nice to know which way we should connect a transformer in order to ensure the proper phase relationships be kept. After all, a transformer is nothing more than a set of magnetically-linked inductors, and inductors don't usually come with polarity markings of any kind. If we were to look at an unmarked transformer, we would have no way of knowing which way to hook it up to a circuit to get in-phase (or 180o out-of-phase) voltage and current:

Since this is a practical concern, transformer manufacturers have come up with a sort of polarity marking standard to denote phase relationships. It is called the dot convention, and is nothing more than a dot placed next to each corresponding leg of a transformer winding:

Typically, the transformer will come with some kind of schematic diagram labeling the wire leads for primary and secondary windings. On the diagram will be a pair of dots similar to what is seen above. Sometimes dots will be omitted, but when "H" and "X" labels are used to label transformer winding wires, the subscript numbers are supposed to represent winding polarity. The "1" wires (H1 and X1) represent where the polarity-marking dots would normally be placed.

The similar placement of these dots next to the top ends of the primary and secondary windings tells us that whatever instantaneous voltage polarity seen across the primary winding will be the same as that across the secondary winding. In other words, the phase shift from primary to secondary will be zero degrees.

On the other hand, if the dots on each winding of the transformer do not match up, the phase shift will be 180o between primary and secondary, like this:

Of course, the dot convention only tells you which end of each winding is which, relative to the other winding(s). If you want to reverse the phase relationship yourself, all you have to do is swap the winding connections like this:

  • REVIEW:

  • The phase relationships for voltage and current between primary and secondary circuits of a transformer are direct: ideally, zero phase shift.

  • The dot convention is a type of polarity marking for transformer windings showing which end of the winding is which, relative to the other windings.

 

 




Home  Products  Tutorials   Schematics   Robotics   Resources   Radio Stuff    Career    Download   Link Exchange

HTML Sitemap   XML Sitemap


Terms & Conditions  Privacy Policy and Disclaimer