| Up until this point, our analysis of transistor logic 
    circuits has been limited to the TTL design paradigm, whereby bipolar 
    transistors are used, and the general strategy of floating inputs being 
    equivalent to "high" (connected to Vcc) inputs -- and 
    correspondingly, the allowance of "open-collector" output stages -- is 
    maintained. This, however, is not the only way we can build logic gates.
    Field-effect transistors, particularly the insulated-gate variety, may be 
    used in the design of gate circuits. Being voltage-controlled rather than 
    current-controlled devices, IGFETs tend to allow very simple circuit 
    designs. Take for instance, the following inverter circuit built using P- 
    and N-channel IGFETs:  
      Notice the "Vdd" label on the positive power supply terminal. 
    This label follows the same convention as "Vcc" in TTL circuits: 
    it stands for the constant voltage applied to the drain of a field effect 
    transistor, in reference to ground.  Let's connect this gate circuit to a power source and input switch, and 
    examine its operation. Please note that these IGFET transistors are E-type 
    (Enhancement-mode), and so are normally-off devices. It takes an 
    applied voltage between gate and drain (actually, between gate and 
    substrate) of the correct polarity to bias them on.  
      The upper transistor is a P-channel IGFET. When the channel (substrate) 
    is made more positive than the gate (gate negative in reference to the 
    substrate), the channel is enhanced and current is allowed between source 
    and drain. So, in the above illustration, the top transistor is turned on.
     The lower transistor, having zero voltage between gate and substrate 
    (source), is in its normal mode: off. Thus, the action of these two 
    transistors are such that the output terminal of the gate circuit has a 
    solid connection to Vdd and a very high resistance connection to 
    ground. This makes the output "high" (1) for the "low" (0) state of the 
    input.  Next, we'll move the input switch to its other position and see what 
    happens:  
      Now the lower transistor (N-channel) is saturated because it has 
    sufficient voltage of the correct polarity applied between gate and 
    substrate (channel) to turn it on (positive on gate, negative on the 
    channel). The upper transistor, having zero voltage applied between its gate 
    and substrate, is in its normal mode: off. Thus, the output of this 
    gate circuit is now "low" (0). Clearly, this circuit exhibits the behavior 
    of an inverter, or NOT gate.  Using field-effect transistors instead of bipolar transistors has greatly 
    simplified the design of the inverter gate. Note that the output of this 
    gate never floats as is the case with the simplest TTL circuit: it has a 
    natural "totem-pole" configuration, capable of both sourcing and sinking 
    load current. Key to this gate circuit's elegant design is the 
    complementary use of both P- and N-channel IGFETs. Since IGFETs are more 
    commonly known as MOSFETs (Metal-Oxide-Semiconductor 
    Field Effect Transistor), and this circuit uses both P- 
    and N-channel transistors together, the general classification given to gate 
    circuits like this one is CMOS: Complementary Metal 
    Oxide Semiconductor.  CMOS circuits aren't plagued by the inherent nonlinearities of the 
    field-effect transistors, because as digital circuits their transistors 
    always operate in either the saturated or cutoff modes and 
    never in the active mode. Their inputs are, however, sensitive to 
    high voltages generated by electrostatic (static electricity) sources, and 
    may even be activated into "high" (1) or "low" (0) states by spurious 
    voltage sources if left floating. For this reason, it is inadvisable to 
    allow a CMOS logic gate input to float under any circumstances. Please note 
    that this is very different from the behavior of a TTL gate where a floating 
    input was safely interpreted as a "high" (1) logic level.  This may cause a problem if the input to a CMOS logic gate is driven by a 
    single-throw switch, where one state has the input solidly connected to 
    either Vdd or ground and the other state has the input floating 
    (not connected to anything):  
      Also, this problem arises if a CMOS gate input is being driven by an 
    open-collector TTL gate. Because such a TTL gate's output floats when it 
    goes "high" (1), the CMOS gate input will be left in an uncertain state:  
      Fortunately, there is an easy solution to this dilemma, one that is used 
    frequently in CMOS logic circuitry. Whenever a single-throw switch (or any 
    other sort of gate output incapable of both sourcing and sinking 
    current) is being used to drive a CMOS input, a resistor connected to either 
    Vdd or ground may be used to provide a stable logic level for the 
    state in which the driving device's output is floating. This resistor's 
    value is not critical: 10 kΩ is usually sufficient. When used to provide a 
    "high" (1) logic level in the event of a floating signal source, this 
    resistor is known as a pullup resistor:  
      When such a resistor is used to provide a "low" (0) logic level in the 
    event of a floating signal source, it is known as a pulldown resistor. 
    Again, the value for a pulldown resistor is not critical:  
      Because open-collector TTL outputs always sink, never source, current, 
    pullup resistors are necessary when interfacing such an output to a 
    CMOS gate input:  
      Although the CMOS gates used in the preceding examples were all inverters 
    (single-input), the same principle of pullup and pulldown resistors applies 
    to multiple-input CMOS gates. Of course, a separate pullup or pulldown 
    resistor will be required for each gate input:  
      This brings us to the next question: how do we design multiple-input CMOS 
    gates such as AND, NAND, OR, and NOR? Not surprisingly, the answer(s) to 
    this question reveal a simplicity of design much like that of the CMOS 
    inverter over its TTL equivalent.  For example, here is the schematic diagram for a CMOS NAND gate:  
      Notice how transistors Q1 and Q3 resemble the 
    series-connected complementary pair from the inverter circuit. Both are 
    controlled by the same input signal (input A), the upper transistor turning 
    off and the lower transistor turning on when the input is "high" (1), and 
    visa-versa. Notice also how transistors Q2 and Q4 are 
    similarly controlled by the same input signal (input B), and how they will 
    also exhibit the same on/off behavior for the same input logic levels. The 
    upper transistors of both pairs (Q1 and Q2) have their 
    source and drain terminals paralleled, while the lower transistors (Q3 
    and Q4) are series-connected. What this means is that the output 
    will go "high" (1) if either top transistor saturates, and will go 
    "low" (0) only if both lower transistors saturate. The following 
    sequence of illustrations shows the behavior of this NAND gate for all four 
    possibilities of input logic levels (00, 01, 10, and 11):  
      
      
      >  
      As with the TTL NAND gate, the CMOS NAND gate circuit may be used as the 
    starting point for the creation of an AND gate. All that needs to be added 
    is another stage of transistors to invert the output signal:  
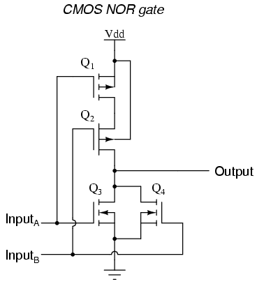
      A CMOS NOR gate circuit uses four MOSFETs just like the NAND gate, except 
    that its transistors are differently arranged. Instead of two paralleled 
    sourcing (upper) transistors connected to Vdd and two 
    series-connected sinking (lower) transistors connected to ground, the 
    NOR gate uses two series-connected sourcing transistors and two 
    parallel-connected sinking transistors like this:  
      As with the NAND gate, transistors Q1 and Q3 work 
    as a complementary pair, as do transistors Q2 and Q4. 
    Each pair is controlled by a single input signal. If either input A
    or input B are "high" (1), at least one of the lower transistors (Q3 
    or Q4) will be saturated, thus making the output "low" (0). Only 
    in the event of both inputs being "low" (0) will both lower 
    transistors be in cutoff mode and both upper transistors be saturated, the 
    conditions necessary for the output to go "high" (1). This behavior, of 
    course, defines the NOR logic function.  The OR function may be built up from the basic NOR gate with the addition 
    of an inverter stage on the output:  
      Since it appears that any gate possible to construct using TTL technology 
    can be duplicated in CMOS, why do these two "families" of logic design still 
    coexist? The answer is that both TTL and CMOS have their own unique 
    advantages.  First and foremost on the list of comparisons between TTL and CMOS is the 
    issue of power consumption. In this measure of performance, CMOS is the 
    unchallenged victor. Because the complementary P- and N-channel MOSFET pairs 
    of a CMOS gate circuit are (ideally) never conducting at the same time, 
    there is little or no current drawn by the circuit from the Vdd 
    power supply except for what current is necessary to source current to a 
    load. TTL, on the other hand, cannot function without some current drawn at 
    all times, due to the biasing requirements of the bipolar transistors from 
    which it is made.  There is a caveat to this advantage, though. While the power dissipation 
    of a TTL gate remains rather constant regardless of its operating state(s), 
    a CMOS gate dissipates more power as the frequency of its input signal(s) 
    rises. If a CMOS gate is operated in a static (unchanging) condition, it 
    dissipates zero power (ideally). However, CMOS gate circuits draw transient 
    current during every output state switch from "low" to "high" and 
    visa-versa. So, the more often a CMOS gate switches modes, the more often it 
    will draw current from the Vdd supply, hence greater power 
    dissipation at greater frequencies.  A CMOS gate also draws much less current from a driving gate output than 
    a TTL gate because MOSFETs are voltage-controlled, not current-controlled, 
    devices. This means that one gate can drive many more CMOS inputs than TTL 
    inputs. The measure of how many gate inputs a single gate output can drive 
    is called fanout.  Another advantage that CMOS gate designs enjoy over TTL is a much wider 
    allowable range of power supply voltages. Whereas TTL gates are restricted 
    to power supply (Vcc) voltages between 4.75 and 5.25 volts, CMOS 
    gates are typically able to operate on any voltage between 3 and 15 volts! 
    The reason behind this disparity in power supply voltages is the respective 
    bias requirements of MOSFET versus bipolar junction transistors. MOSFETs are 
    controlled exclusively by gate voltage (with respect to substrate), whereas 
    BJTs are current-controlled devices. TTL gate circuit resistances are 
    precisely calculated for proper bias currents assuming a 5 volt regulated 
    power supply. Any significant variations in that power supply voltage will 
    result in the transistor bias currents being incorrect, which then results 
    in unreliable (unpredictable) operation. The only effect that variations in 
    power supply voltage have on a CMOS gate is the voltage definition of a 
    "high" (1) state. For a CMOS gate operating at 15 volts of power supply 
    voltage (Vdd), an input signal must be close to 15 volts in order 
    to be considered "high" (1). The voltage threshold for a "low" (0) signal 
    remains the same: near 0 volts.  One decided disadvantage of CMOS is slow speed, as compared to TTL. The 
    input capacitances of a CMOS gate are much, much greater than that of a 
    comparable TTL gate -- owing to the use of MOSFETs rather than BJTs -- and 
    so a CMOS gate will be slower to respond to a signal transition (low-to-high 
    or visa-versa) than a TTL gate, all other factors being equal. The RC time 
    constant formed by circuit resistances and the input capacitance of the gate 
    tend to impede the fast rise- and fall-times of a digital logic level, 
    thereby degrading high-frequency performance.  A strategy for minimizing this inherent disadvantage of CMOS gate 
    circuitry is to "buffer" the output signal with additional transistor 
    stages, to increase the overall voltage gain of the device. This provides a 
    faster-transitioning output voltage (high-to-low or low-to-high) for an 
    input voltage slowly changing from one logic state to another. Consider this 
    example, of an "unbuffered" NOR gate versus a "buffered," or B-series, 
    NOR gate:  
      In essence, the B-series design enhancement adds two inverters to the 
    output of a simple NOR circuit. This serves no purpose as far as digital 
    logic is concerned, since two cascaded inverters simply cancel:  
      However, adding these inverter stages to the circuit does serve the 
    purpose of increasing overall voltage gain, making the output more sensitive 
    to changes in input state, working to overcome the inherent slowness caused 
    by CMOS gate input capacitance.  
      REVIEW: CMOS logic gates are made of IGFET (MOSFET) transistors rather than 
      bipolar junction transistors. CMOS gate inputs are sensitive to static electricity. They may be 
      damaged by high voltages, and they may assume any logic level if left 
      floating. Pullup and pulldown resistors are used to prevent a CMOS 
      gate input from floating if being driven by a signal source capable only 
      of sourcing or sinking current. CMOS gates dissipate far less power than equivalent TTL gates, but 
      their power dissipation increases with signal frequency, whereas the power 
      dissipation of a TTL gate is approximately constant over a wide range of 
      operating conditions. CMOS gate inputs draw far less current than TTL inputs, because 
      MOSFETs are voltage-controlled, not current-controlled, devices. CMOS gates are able to operate on a much wider range of power supply 
      voltages than TTL: typically 3 to 15 volts versus 4.75 to 5.25 volts for 
      TTL. CMOS gates tend to have a much lower maximum operating frequency than 
      TTL gates due to input capacitances caused by the MOSFET gates. B-series CMOS gates have "buffered" outputs to increase voltage 
      gain from input to output, resulting in faster output response to input 
      signal changes. This helps overcome the inherent slowness of CMOS gates 
      due to MOSFET input capacitance and the RC time constant thereby 
      engendered.  |