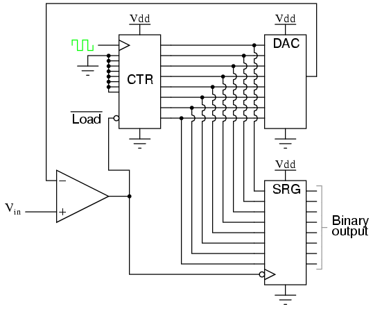
| Also known as the stairstep-ramp, or simply counter A/D 
    converter, this is also fairly easy to understand but unfortunately suffers 
    from several limitations.  The basic idea is to connect the output of a free-running binary counter 
    to the input of a DAC, then compare the analog output of the DAC with the 
    analog input signal to be digitized and use the comparator's output to tell 
    the counter when to stop counting and reset. The following schematic shows 
    the basic idea:  
      As the counter counts up with each clock pulse, the DAC outputs a 
    slightly higher (more positive) voltage. This voltage is compared against 
    the input voltage by the comparator. If the input voltage is greater than 
    the DAC output, the comparator's output will be high and the counter will 
    continue counting normally. Eventually, though, the DAC output will exceed 
    the input voltage, causing the comparator's output to go low. This will 
    cause two things to happen: first, the high-to-low transition of the 
    comparator's output will cause the shift register to "load" whatever binary 
    count is being output by the counter, thus updating the ADC circuit's 
    output; secondly, the counter will receive a low signal on the active-low 
    LOAD input, causing it to reset to 00000000 on the next clock pulse.  The effect of this circuit is to produce a DAC output that ramps up to 
    whatever level the analog input signal is at, output the binary number 
    corresponding to that level, and start over again. Plotted over time, it 
    looks like this:  
      Note how the time between updates (new digital output values) changes 
    depending on how high the input voltage is. For low signal levels, the 
    updates are rather close-spaced. For higher signal levels, they are spaced 
    further apart in time:  
      For many ADC applications, this variation in update frequency (sample 
    time) would not be acceptable. This, and the fact that the circuit's need to 
    count all the way from 0 at the beginning of each count cycle makes for 
    relatively slow sampling of the analog signal, places the digital-ramp ADC 
    at a disadvantage to other counter strategies.  |