| This DAC circuit, otherwise known as the 
    binary-weighted-input DAC, is a variation on the inverting summer op-amp 
    circuit. If you recall, the classic inverting summer circuit is an 
    operational amplifier using negative feedback for controlled gain, with 
    several voltage inputs and one voltage output. The output voltage is the 
    inverted (opposite polarity) sum of all input voltages:
     
      For a simple inverting summer circuit, all resistors must be of equal 
    value. If any of the input resistors were different, the input voltages 
    would have different degrees of effect on the output, and the output voltage 
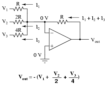
    would not be a true sum. Let's consider, however, intentionally setting the 
    input resistors at different values. Suppose we were to set the input 
    resistor values at multiple powers of two: R, 2R, and 4R, instead of all the 
    same value R:  
      Starting from V1 and going through V3, this would 
    give each input voltage exactly half the effect on the output as the voltage 
    before it. In other words, input voltage V1 has a 1:1 effect on 
    the output voltage (gain of 1), while input voltage V2 has half 
    that much effect on the output (a gain of 1/2), and V3 half of 
    that (a gain of 1/4). These ratios are were not arbitrarily chosen: they are 
    the same ratios corresponding to place weights in the binary numeration 
    system. If we drive the inputs of this circuit with digital gates so that 
    each input is either 0 volts or full supply voltage, the output voltage will 
    be an analog representation of the binary value of these three bits.  
      If we chart the output voltages for all eight combinations of binary bits 
    (000 through 111) input to this circuit, we will get the following 
    progression of voltages:  
      
    
      
        | Binary  | Output voltage |  
        | 000  | 0.00 V |  
        | 001  | -1.25 V   |  
        | 010  | -2.50 V  |  
        | 011   | -3.75 V |  
        | 100 | -5.00 V  |  
        | 101  | -6.25 V  |  
        | 110  | -7.50 V  |  
        | 111  | -8.75 V  |    Note that with each step in the binary count sequence, there results a 
    1.25 volt change in the output. This circuit is very easy to simulate using 
    SPICE. In the following simulation, I set up the DAC circuit with a binary 
    input of 110 (note the first node numbers for resistors R1, R2, 
    and R3: a node number of "1" connects it to the positive side of 
    a 5 volt battery, and a node number of "0" connects it to ground). The 
    output voltage appears on node 6 in the simulation:  
      
      
      
        
          | binary-weighted dac  |  
          | v1 1 0 dc 5  |  
          | rbogus 1 0 99k   |  
          | r1 1 5 1k   |  
          | r2 1 5 2k  |  
          | r3 0 5 4k  |  
          | rfeedbk 5 6 1k   |  
          | e1 6 0 5 0 999k  |  
          | end |  
    
 
      
    
      
        | node  voltage      node  voltage      node  voltage |  
        |   (1)   5.0000           (5)   0.0000         (6)  -7.5000 |    We can adjust resistors values in this circuit to obtain output voltages 
    directly corresponding to the binary input. For example, by making the 
    feedback resistor 800 Ω instead of 1 kΩ, the DAC will output -1 volt for the 
    binary input 001, -4 volts for the binary input 100, -7 volts for the binary 
    input 111, and so on.    (with feedback resistor set at 800 ohms)   
      
      
        
          | Binary  | Output voltage |  
          | 000  | 0.00 V |  
          | 001  | -1.00V   |  
          | 010  | -2.00 V  |  
          | 011   | -3.00 V |  
          | 100 | -4.00 V  |  
          | 101  | -5.00 V  |  
          | 110  | -6.00 V  |  
          | 111  | -7.00 V  |    If we wish to expand the resolution of this DAC (add more bits to the 
    input), all we need to do is add more input resistors, holding to the same 
    power-of-two sequence of values:  
      It should be noted that all logic gates must output exactly the same 
    voltages when in the "high" state. If one gate is outputting +5.02 volts for 
    a "high" while another is outputting only +4.86 volts, the analog output of 
    the DAC will be adversely affected. Likewise, all "low" voltage levels 
    should be identical between gates, ideally 0.00 volts exactly. It is 
    recommended that CMOS output gates are used, and that input/feedback 
    resistor values are chosen so as to minimize the amount of current each gate 
    has to source or sink.  |