| So far, we've only been able to escape the sheer 
    volume of components in the flash converter by using a DAC as part of our 
    ADC circuitry. However, this is not our only option. It is possible to avoid 
    using a DAC if we substitute an analog ramping circuit and a digital counter 
    with precise timing.
    The is the basic idea behind the so-called single-slope, or 
    integrating ADC. Instead of using a DAC with a ramped output, we use an 
    op-amp circuit called an integrator to generate a sawtooth waveform 
    which is then compared against the analog input by a comparator. The time it 
    takes for the sawtooth waveform to exceed the input signal voltage level is 
    measured by means of a digital counter clocked with a precise-frequency 
    square wave (usually from a crystal oscillator). The basic schematic diagram 
    is shown here:  
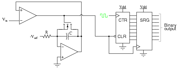
      The IGFET capacitor-discharging transistor scheme shown here is a bit 
    oversimplified. In reality, a latching circuit timed with the clock signal 
    would most likely have to be connected to the IGFET gate to ensure full 
    discharge of the capacitor when the comparator's output goes high. The basic 
    idea, however, is evident in this diagram. When the comparator output is low 
    (input voltage greater than integrator output), the integrator is allowed to 
    charge the capacitor in a linear fashion. Meanwhile, the counter is counting 
    up at a rate fixed by the precision clock frequency. The time it takes for 
    the capacitor to charge up to the same voltage level as the input depends on 
    the input signal level and the combination of -Vref, R, and C. 
    When the capacitor reaches that voltage level, the comparator output goes 
    high, loading the counter's output into the shift register for a final 
    output. The IGFET is triggered "on" by the comparator's high output, 
    discharging the capacitor back to zero volts. When the integrator output 
    voltage falls to zero, the comparator output switches back to a low state, 
    clearing the counter and enabling the integrator to ramp up voltage again.
     This ADC circuit behaves very much like the digital ramp ADC, except that 
    the comparator reference voltage is a smooth sawtooth waveform rather than a 
    "stairstep:"  
      The single-slope ADC suffers all the disadvantages of the digital ramp 
    ADC, with the added drawback of calibration drift. The accurate 
    correspondence of this ADC's output with its input is dependent on the 
    voltage slope of the integrator being matched to the counting rate of the 
    counter (the clock frequency). With the digital ramp ADC, the clock 
    frequency had no effect on conversion accuracy, only on update time. In this 
    circuit, since the rate of integration and the rate of count are independent 
    of each other, variation between the two is inevitable as it ages, and will 
    result in a loss of accuracy. The only good thing to say about this circuit 
    is that it avoids the use of a DAC, which reduces circuit complexity.  An answer to this calibration drift dilemma is found in a design 
    variation called the dual-slope converter. In the dual-slope 
    converter, an integrator circuit is driven positive and negative in 
    alternating cycles to ramp down and then up, rather than being reset to 0 
    volts at the end of every cycle. In one direction of ramping, the integrator 
    is driven by the positive analog input signal (producing a negative, 
    variable rate of output voltage change, or output slope) for a fixed 
    amount of time, as measured by a counter with a precision frequency clock. 
    Then, in the other direction, with a fixed reference voltage (producing a 
    fixed rate of output voltage change) with time measured by the same counter. 
    The counter stops counting when the integrator's output reaches the same 
    voltage as it was when it started the fixed-time portion of the cycle. The 
    amount of time it takes for the integrator's capacitor to discharge back to 
    its original output voltage, as measured by the magnitude accrued by the 
    counter, becomes the digital output of the ADC circuit.  The dual-slope method can be thought of analogously in terms of a rotary 
    spring such as that used in a mechanical clock mechanism. Imagine we were 
    building a mechanism to measure the rotary speed of a shaft. Thus, shaft 
    speed is our "input signal" to be measured by this device. The measurement 
    cycle begins with the spring in a relaxed state. The spring is then turned, 
    or "wound up," by the rotating shaft (input signal) for a fixed amount of 
    time. This places the spring in a certain amount of tension proportional to 
    the shaft speed: a greater shaft speed corresponds to a faster rate of 
    winding. and a greater amount of spring tension accumulated over that period 
    of time. After that, the spring is uncoupled from the shaft and allowed to 
    unwind at a fixed rate, the time for it to unwind back to a relaxed state 
    measured by a timer device. The amount of time it takes for the 
    spring to unwind at that fixed rate will be directly proportional to the 
    speed at which it was wound (input signal magnitude) during the 
    fixed-time portion of the cycle.  This technique of analog-to-digital conversion escapes the calibration 
    drift problem of the single-slope ADC because both the integrator's 
    integration coefficient (or "gain") and the counter's rate of speed are in 
    effect during the entire "winding" and "unwinding" cycle portions. If the 
    counter's clock speed were to suddenly increase, this would shorten the 
    fixed time period where the integrator "winds up" (resulting in a lesser 
    voltage accumulated by the integrator), but it would also mean that it would 
    count faster during the period of time when the integrator was allowed to 
    "unwind" at a fixed rate. The proportion that the counter is counting faster 
    will be the same proportion as the integrator's accumulated voltage is 
    diminished from before the clock speed change. Thus, the clock speed error 
    would cancel itself out and the digital output would be exactly what it 
    should be.  Another important advantage of this method is that the input signal 
    becomes averaged as it drives the integrator during the fixed-time portion 
    of the cycle. Any changes in the analog signal during that period of time 
    have a cumulative effect on the digital output at the end of that cycle. 
    Other ADC strategies merely "capture" the analog signal level at a single 
    point in time every cycle. If the analog signal is "noisy" (contains 
    significant levels of spurious voltage spikes/dips), one of the other ADC 
    converter technologies may occasionally convert a spike or dip because it 
    captures the signal repeatedly at a single point in time. A dual-slope ADC, 
    on the other hand, averages together all the spikes and dips within the 
    integration period, thus providing an output with greater noise immunity. 
    Dual-slope ADCs are used in applications demanding high accuracy.  |