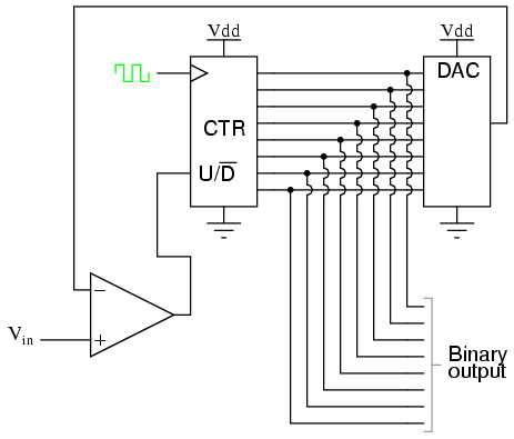
| A third variation on the counter-DAC-based 
    converter theme is, in my estimation, the most elegant. Instead of a regular 
    "up" counter driving the DAC, this circuit uses an up/down counter. The 
    counter is continuously clocked, and the up/down control line is driven by 
    the output of the comparator. So, when the analog input signal exceeds the 
    DAC output, the counter goes into the "count up" mode. When the DAC output 
    exceeds the analog input, the counter switches into the "count down" mode. 
    Either way, the DAC output always counts in the proper direction to track 
    the input signal.
     
      Notice how no shift register is needed to buffer the binary count at the 
    end of a cycle. Since the counter's output continuously tracks the input 
    (rather than counting to meet the input and then resetting back to zero), 
    the binary output is legitimately updated with every clock pulse.  An advantage of this converter circuit is speed, since the counter never 
    has to reset. Note the behavior of this circuit:  
      Note the much faster update time than any of the other "counting" ADC 
    circuits. Also note how at the very beginning of the plot where the counter 
    had to "catch up" with the analog signal, the rate of change for the output 
    was identical to that of the first counting ADC. Also, with no shift 
    register in this circuit, the binary output would actually ramp up rather 
    than jump from zero to an accurate count as it did with the counter and 
    successive approximation ADC circuits.  Perhaps the greatest drawback to this ADC design is the fact that the 
    binary output is never stable: it always switches between counts with every 
    clock pulse, even with a perfectly stable analog input signal. This 
    phenomenon is informally known as bit bobble, and it can be 
    problematic in some digital systems.  This tendency can be overcome, though, through the creative use of a 
    shift register. For example, the counter's output may be latched through a 
    parallel-in/parallel-out shift register only when the output changes by two 
    or more steps. Building a circuit to detect two or more successive counts in 
    the same direction takes a little ingenuity, but is worth the effort.  |