| Current dividerPARTS AND MATERIALS  CROSS-REFERENCES  Lessons In Electric Circuits, Volume 
                    1, chapter 6: "Divider Circuits and Kirchhoff's Laws"    LEARNING OBJECTIVES  
 
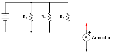
 SCHEMATIC DIAGRAM  
                      
 
 ILLUSTRATION  
                        
 
 
                      Normally, it is considered improper to 
                    secure more than two wires under a single terminal strip 
                    screw. In this illustration, I show three wires joining at 
                    the top screw of the rightmost lug used on this strip. This 
                    is done for the ease of proving a concept (of current 
                    summing at a circuit node), and does not represent 
                    professional assembly technique.    
 
 
                      The non-professional nature of the 
                    "free-form" construction method merits no further comment.
                     
 
 INSTRUCTIONS  Once again, I show different methods of 
                    constructing the same circuit: breadboard, terminal strip, 
                    and "free-form." Experiment with all these construction 
                    formats and become familiar with their respective advantages 
                    and disadvantages.  Select three resistors from your resistor 
                    assortment and measure the resistance of each one with an 
                    ohmmeter. Note these resistance values with pen and paper, 
                    for reference in your circuit calculations.  Connect the three resistors in parallel to 
                    and each other, and with the 6-volt battery, as shown in the 
                    illustrations. Measure battery voltage with a voltmeter 
                    after the resistors have been connected to it, noting this 
                    voltage figure on paper as well. It is advisable to measure 
                    battery voltage while it's powering the resistor circuit 
                    because this voltage may differ slightly from a no-load 
                    condition.  Measure voltage across each of the three 
                    resistors. What do you notice? In a series circuit, 
                    current is equal through all components at any given 
                    time. In a parallel circuit, voltage is the common 
                    variable between all components.  Use Ohm's Law (I=E/R) to calculate current 
                    through each resistor, then verify this calculated value by 
                    measuring current with a digital ammeter. Place the red 
                    probe of the ammeter at the point where the positive (+) 
                    ends of the resistors connect to each other and lift one 
                    resistor wire at a time, connecting the meter's black probe 
                    to the lifted wire. In this manner, measure each resistor 
                    current, noting both the magnitude of the current and the 
                    polarity. In these illustrations, I show an ammeter used to 
                    measure the current through R1:  
                        
 
 
                      Measure current for each of the three 
                    resistors, comparing with the current figures calculated 
                    previously. With the digital ammeter connected as shown, all 
                    three indications should be positive, not negative.  Now, measure total circuit current, keeping 
                    the ammeter's red probe on the same point of the circuit, 
                    but disconnecting the wire leading to the positive (+) side 
                    of the battery and touching the black probe to it:  
                        
 
 
                      Note both the magnitude and the sign of the 
                    current as indicated by the ammeter. Add this figure 
                    (algebraically) to the three resistor currents. What do you 
                    notice about the result that is similar to the Kirchhoff's 
                    Voltage Law experiment? Kirchhoff's Current Law is to 
                    currents "summing" at a point (node) in a circuit, just as 
                    Kirchhoff's Voltage Law is to voltages adding in a series 
                    loop: in both cases, the algebraic sum is equal to zero.  This Law is also very useful in the 
                    mathematical analysis of circuits. Along with Kirchhoff's 
                    Voltage Law, it allows us to generate equations describing 
                    several variables in a circuit, which may then be solved 
                    using a variety of mathematical techniques.  Now consider the four current measurements 
                    as all positive numbers: the first three representing the 
                    current through each resistor, and the fourth representing 
                    total circuit current as a positive sum of the three 
                    "branch" currents. Each resistor (branch) current is a 
                    fraction, or percentage, of the total current. This is why a 
                    parallel resistor circuit is often called a current 
                    divider.  Disconnect the battery from the rest of the 
                    circuit, and measure resistance across the parallel 
                    resistors. You may read total resistance across any 
                    of the individual resistors' terminals and obtain the same 
                    indication: it will be a value less than any of the 
                    individual resistor values. This is often surprising to new 
                    students of electricity, that you read the exact same 
                    (total) resistance figure when connecting an ohmmeter across
                    any one of a set of parallel-connected resistors. It 
                    makes sense, though, if you consider the points in a 
                    parallel circuit in terms of electrical commonality. All 
                    parallel components are connected between two sets of 
                    electrically common points. Since the meter cannot 
                    distinguish between points common to each other by way of 
                    direct connection, to read resistance across one resistor is 
                    to read the resistance of them all. The same is true for 
                    voltage, which is why battery voltage could be read across 
                    any one of the resistors as easily as it could be read 
                    across the battery terminals directly.  If you divide the battery voltage 
                    (previously measured) by this total resistance figure, you 
                    should obtain a figure for total current (I=E/R) closely 
                    matching the measured figure.  The ratio of resistor current to total 
                    current is the same as the ratio of total resistance to 
                    individual resistance. For example, if a 10 kΩ resistor is 
                    part of a current divider circuit with a total resistance of 
                    1 kΩ, that resistor will conduct 1/10 of the total current, 
                    whatever value that current total happens to be.  
 
 COMPUTER SIMULATION  Schematic with SPICE node numbers:
                     
                      Ammeters in SPICE simulations are actually 
                    zero-voltage sources inserted in the paths of electron flow. 
                    You will notice the voltage sources Vir1, Vir2, 
                    and Vir3 are set to 0 volts in the netlist. When 
                    electrons enter the negative side of one of these "dummy" 
                    batteries and out the positive, the battery's current 
                    indication will be a positive number. In other words, these 
                    0-volt sources are to be regarded as ammeters with the red 
                    probe on the long-line side of the battery symbol and the 
                    black probe on the short-line side.  
 
 Netlist (make a text file containing the 
                    following text, verbatim):  Current divider
v1 1 0
r1 3 0 2k
r2 4 0 3k
r3 5 0 5k
vitotal 2 1 dc 0
vir1 2 3 dc 0
vir2 2 4 dc 0
vir3 2 5 dc 0
.dc v1 6 6 1
.print dc i(vitotal) i(vir1) i(vir2) i(vir3)
.end
 When run, SPICE will print a line of text 
                    containing four current figures, the first current 
                    representing the total as a negative quantity, and the other 
                    three representing currents for resistors R1, R2, 
                    and R3. When algebraically added, the one 
                    negative figure and the three positive figures will form a 
                    sum of zero, as described by Kirchhoff's Current Law.  |