| Sensitive voltage detectorPARTS AND MATERIALS  
                      
                      High-quality "closed-cup" audio headphones
                      
                      Headphone jack: female receptacle for 
                      headphone plug (Radio Shack catalog # 274-312) 
                      Small step-down power transformer (Radio 
                      Shack catalog # 273-1365 or equivalent, using the 6-volt 
                      secondary winding tap) 
                      Two 1N4001 rectifying diodes (Radio Shack 
                      catalog # 276-1101) 
                      1 kΩ resistor 
                      100 kΩ potentiometer (Radio Shack catalog 
                      # 271-092) 
                      Two "banana" jack style binding posts, or 
                      other terminal hardware, for connection to potentiometer 
                      circuit (Radio Shack catalog # 274-662 or equivalent) 
                      Plastic or metal mounting box  Regarding the headphones, the higher the 
                    "sensitivity" rating in decibels (dB), the better, but 
                    listening is believing: if you're serious about building a 
                    detector with maximum sensitivity for small electrical 
                    signals, you should try a few different headphone models at 
                    a high-quality audio store and "listen" for which ones 
                    produce an audible sound for the lowest volume 
                    setting on a radio or CD player. Beware, as you could spend 
                    hundreds of dollars on a pair of headphones to get the 
                    absolute best sensitivity! Take heart, though: I've used an
                    old pair of Radio Shack "Realistic" brand headphones 
                    with perfectly adequate results, so you don't need to buy 
                    the best.  A transformer is a device normally 
                    used with alternating current ("AC") circuits, used to 
                    convert high-voltage AC power into low-voltage AC power, and 
                    for many other purposes. It is not important that you 
                    understand its intended function in this experiment, other 
                    than it makes the headphones become more sensitive to 
                    low-current electrical signals.  Normally, the transformer used in this type 
                    of application (audio speaker impedance matching) is called 
                    an "audio transformer," with its primary and secondary 
                    windings represented by impedance values (1000 Ω : 8 Ω) 
                    instead of voltages. An audio transformer will work, but 
                    I've found small step-down power transformers of 120/6 volt 
                    ratio to be perfectly adequate for the task, cheaper 
                    (especially when taken from an old thrift-store alarm clock 
                    radio), and far more rugged.  The tolerance (precision) rating for the 1 
                    kΩ resistor is irrelevant. The 100 kΩ potentiometer is a 
                    recommended option for incorporation into this project, as 
                    it gives the user control over the loudness for any given 
                    signal. Even though an audio-taper potentiometer 
                    would be appropriate for this application, it is not 
                    necessary. A linear-taper potentiometer works quite 
                    well.    CROSS-REFERENCES  Lessons In Electric Circuits, Volume 
                    1, chapter 8: "DC Metering Circuits"  Lessons In Electric Circuits, Volume 
                    1, chapter 10: "DC Network Analysis" (in regard to the 
                    Maximum Power Transfer Theorem)  Lessons In Electric Circuits, Volume 
                    2, chapter 9: "Transformers"  Lessons In Electric Circuits, Volume 
                    2, chapter 12: "AC Metering Circuits"    LEARNING OBJECTIVES  
                      
                      Soldering practice 
                      Detection of extremely small electrical 
                      signals 
                      Using a potentiometer as a voltage 
                      divider/signal attenuator 
                      Using diodes to "clip" voltage at some 
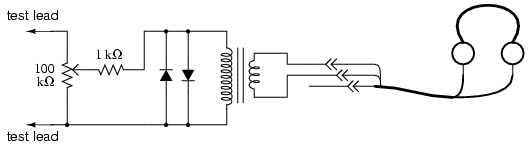
                      maximum level    SCHEMATIC DIAGRAM  
                      
 
 ILLUSTRATION  
                      
 
 INSTRUCTIONS  The headphones, most likely being stereo 
                    units (separate left and right speakers) will have a 
                    three-contact plug. You will be connecting to only two of 
                    those three contact points. If you only have a "mono" 
                    headphone set with a two-contact plug, just connect to those 
                    two contact points. You may either connect the two stereo 
                    speakers in series or in parallel. I've found the series 
                    connection to work best, that is, to produce the most sound 
                    from a small signal:  
                      Solder all wire connections well. This 
                    detector system is extremely sensitive, and any loose wire 
                    connections in the circuit will add unwanted noise to the 
                    sounds produced by the measured voltage signal. The two 
                    diodes (arrow-like component symbols) connected in parallel 
                    with the transformer's primary winding, along with the 
                    series-connected 1 kΩ resistor, work together to prevent any 
                    more than about 0.7 volts from being dropped across the 
                    primary coil of the transformer. This does one thing and one 
                    thing only: limit the amount of sound the headphones can 
                    produce. The system will work without the diodes and 
                    resistor in place, but there will be no limit to sound 
                    volume in the circuit, and the resulting sound caused by 
                    accidently connecting the test leads across a substantial 
                    voltage source (like a battery) can be deafening!  Binding posts provide points of connection 
                    for a pair of test probes with banana-style plugs, once the 
                    detector components are mounted inside a box. You may use 
                    ordinary multimeter probes, or make your own probes with 
                    alligator clips at the ends for secure connection to a 
                    circuit.  Detectors are intended to be used for 
                    balancing bridge measurement circuits, potentiometric 
                    (null-balance) voltmeter circuits, and detect extremely 
                    low-amplitude AC ("alternating current") signals in the 
                    audio frequency range. It is a valuable piece of test 
                    equipment, especially for the low-budget experimenter 
                    without an oscilloscope. It is also valuable in that it 
                    allows you to use a different bodily sense in interpreting 
                    the behavior of a circuit.  For connection across any non-trivial source 
                    of voltage (1 volt and greater), the detector's extremely 
                    high sensitivity should be attenuated. This may be 
                    accomplished by connecting a voltage divider to the "front" 
                    of the circuit:  SCHEMATIC DIAGRAM  
                      ILLUSTRATION  
                      Adjust the 100 kΩ voltage divider 
                    potentiometer to about mid-range when initially sensing a 
                    voltage signal of unknown magnitude. If the sound is too 
                    loud, turn the potentiometer down and try again. If too 
                    soft, turn it up and try again. The detector produces a 
                    "click" sound whenever the test leads make or break contact 
                    with the voltage source under test. With my cheap 
                    headphones, I've been able to detect currents of less than 
                    1/10 of a microamp (< 0.1 �A).  A good demonstration of the detector's 
                    sensitivity is to touch both test leads to the end of your 
                    tongue, with the sensitivity adjustment set to maximum. The 
                    voltage produced by metal-to-electrolyte contact (called 
                    galvanic voltage) is very small, but enough to produce 
                    soft "clicking" sounds every time the leads make and break 
                    contact on the wet skin of your tongue.  Try unplugged the headphone plug from the 
                    jack (receptacle) and similarly touching it to the end of 
                    your tongue. You should still hear soft clicking sounds, but 
                    they will be much smaller in amplitude. Headphone speakers 
                    are "low impedance" devices: they require low voltage and 
                    "high" current to deliver substantial sound power. Impedance 
                    is a measure of opposition to any and all forms of electric 
                    current, including alternating current (AC). Resistance, by 
                    comparison, is a strictly measure of opposition to direct 
                    current (DC). Like resistance, impedance is measured in the 
                    unit of the Ohm (Ω), but it is symbolized in equations by 
                    the capital letter "Z" rather than the capital letter "R". 
                    We use the term "impedance" to describe the headphone's 
                    opposition to current because it is primarily AC signals 
                    that headphones are normally subjected to, not DC.  Most small signal sources have high internal 
                    impedances, some much higher than the nominal 8 Ω of the 
                    headphone speakers. This is a technical way of saying that 
                    they are incapable of supplying substantial amounts of 
                    current. As the Maximum Power Transfer Theorem predicts, 
                    maximum sound power will be delivered by the headphone 
                    speakers when their impedance is "matched" to the impedance 
                    of the voltage source. The transformer does this. The 
                    transformer also helps aid the detection of small DC signals 
                    by producing inductive "kickback" every time the test lead 
                    circuit is broken, thus "amplifying" the signal by 
                    magnetically storing up electrical energy and suddenly 
                    releasing it to the headphone speakers.  I recommend building this detector in a 
                    permanent fashion (mounting all components inside of a box, 
                    and providing nice test lead wires) so it may be easily used 
                    in the future. Constructed as such, it might look something 
                    like this:  
                      
 |