| Precision potentiometerPARTS AND MATERIALS  
                      
                      Two single-turn, linear-taper 
                      potentiometers, 5 kΩ each (Radio Shack catalog # 271-1714)
                      
                      One single-turn, linear-taper 
                      potentiometer, 50 kΩ (Radio Shack catalog # 271-1716) 
                      Plastic or metal mounting box 
                      Three "banana" jack style binding posts, 
                      or other terminal hardware, for connection to 
                      potentiometer circuit (Radio Shack catalog # 274-662 or 
                      equivalent)  This is a project useful to those who want a 
                    precision potentiometer without spending a lot of money. 
                    Ordinarily, multi-turn potentiometers are used to obtain 
                    precise voltage division ratios, but a cheaper alternative 
                    exists using multiple, single-turn (sometimes called 
                    "3/4-turn") potentiometers connected together in a compound 
                    divider network.  Because this is a useful project, I 
                    recommend building it in permanent form using some form of 
                    project enclosure. Suppliers such as Radio Shack offer nice 
                    project boxes, but boxes purchased at a general hardware 
                    store are much less expensive, if a bit ugly. The ultimate 
                    in low cost for a new box are the plastic boxes sold as 
                    light switch and receptacle boxes for household electrical 
                    wiring.  "Banana" jacks allow for the temporary 
                    connection of test leads and jumper wires equipped with 
                    matching "banana" plug ends. Most multimeter test leads have 
                    this style of plug for insertion into the meter jacks. 
                    Banana plugs are so named because of their oblong appearance 
                    formed by spring steel strips, which maintain firm contact 
                    with the jack walls when inserted. Some banana jacks are 
                    called binding posts because they also allow plain 
                    wires to be firmly attached. Binding posts have screw-on 
                    sleeves that fit over a metal post. The sleeve is used as a 
                    nut to secure a wire wrapped around the post, or inserted 
                    through a perpendicular hole drilled through the post. A 
                    brief inspection of any binding post will clarify this 
                    verbal description.    CROSS-REFERENCES  Lessons In Electric Circuits, Volume 
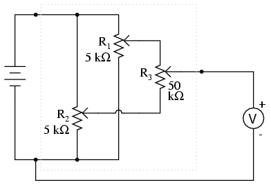
                    1, chapter 6: "Divider Circuits and Kirchhoff's Laws"    LEARNING OBJECTIVES    SCHEMATIC DIAGRAM  
                      
 
 ILLUSTRATION  
                      
 
 INSTRUCTIONS  It is essential that the connecting wires be
                    soldered to the potentiometer terminals, not twisted 
                    or taped. Since potentiometer action is dependent on 
                    resistance, the resistance of all wiring connections must be 
                    carefully controlled to a bare minimum. Soldering ensures a 
                    condition of low resistance between joined conductors, and 
                    also provides very good mechanical strength for the 
                    connections.  When the circuit is assembled, connect a 
                    6-volt battery to the outer two binding posts. Connect a 
                    voltmeter between the "wiper" post and the battery's 
                    negative (-) terminal. This voltmeter will measure the 
                    "output" of the circuit.  The circuit works on the principle of 
                    compressed range: the voltage output range of this circuit 
                    available by adjusting potentiometer R3 is 
                    restricted between the limits set by potentiometers R1 
                    and R2. In other words, if R1 and R2 
                    were set to output 5 volts and 3 volts, respectively, from a 
                    6-volt battery, the range of output voltages obtainable by 
                    adjusting R3 would be restricted from 3 to 5 
                    volts for the full rotation of that potentiometer. If only a 
                    single potentiometer were used instead of this 
                    three-potentiometer circuit, full rotation would produce an 
                    output voltage from 0 volts to full battery voltage. The 
                    "range compression" afforded by this circuit allows for more 
                    precise voltage adjustment than would be normally obtainable 
                    using a single potentiometer.  Operating this potentiometer network is more 
                    complex than using a single potentiometer. To begin, turn 
                    the R3 potentiometer fully clockwise, so that its 
                    wiper is in the full "up" position as referenced to the 
                    schematic diagram (electrically "closest" to R1's 
                    wiper terminal). Adjust potentiometer R1 until 
                    the upper voltage limit is reached, as indicated by the 
                    voltmeter.  Turn the R3 potentiometer fully 
                    counter-clockwise, so that its wiper is in the full "down" 
                    position as referenced to the schematic diagram 
                    (electrically "closest" to R2's wiper terminal). 
                    Adjust potentiometer R2 until the lower voltage 
                    limit is reached, as indicated by the voltmeter.  When either the R1 or the R2 
                    potentiometer is adjusted, it interferes with the prior 
                    setting of the other. In other words, if R1 is 
                    initially adjusted to provide an upper voltage limit of 
                    5.000 volts from a 6 volt battery, and then R2 is 
                    adjusted to provide some lower limit voltage different from 
                    what it was before, R1 will no longer be set to 
                    5.000 volts.  To obtain precise upper and lower voltage 
                    limits, turn R3 fully clockwise to read and 
                    adjust the voltage of R1, then turn R3 
                    fully counter-clockwise to read and adjust the voltage of R2, 
                    repeating as necessary.  Technically, this phenomenon of one 
                    adjustment affecting the other is known as interaction, 
                    and it is usually undesirable due to the extra effort 
                    required to set and re-set the adjustments. The reason that 
                    R1 and R2 were specified as 10 times 
                    less resistance than R3 is to minimize this 
                    effect. If all three potentiometers were of equal resistance 
                    value, the interaction between R1 and R2 
                    would be more severe, though manageable with patience. Bear 
                    in mind that the upper and lower voltage limits need not be 
                    set precisely in order for this circuit to achieve its goal 
                    of increased precision. So long as R3's 
                    adjustment range is compressed to some lesser value than 
                    full battery voltage, we will enjoy greater precision than a 
                    single potentiometer could provide.  Once the upper and lower voltage limits have 
                    been set, potentiometer R3 may be adjusted to 
                    produce an output voltage anywhere between those limi
 |